所屬科目:技檢◆氣壓-丙級
2. 左圖所示為(A)增壓缸(B)多位置氣缸(C)單動氣缸(D)雙動氣壓。
5. 過濾器的符號是(A) (B) (C) (D) 。
12. 下列何者是壓力控制閥?(A) (B) (C) (D) 。
16. 品質優良的調壓閥,流量 Q 與壓力 P 的關係何者正確?(A) (B) (C) (D) 。
18. 當有外力作動時,即將電路切斷的接點是那一個?(A) (B) (C) (D)。
19. 左圖表示(A)自動排水(B)自動調整(C)自動濾清(D)自動給油。
22. 有關下圖符號之敘述,何者完全正確?(A)過濾器附自動水排與濾芯汙染顯示器(B)過濾器(C)過濾器附自 動水排(D)過濾器附手動水排與濾芯汙染顯示器。
30. 左圖之邏輯表示是(A)Y=0(B)Y=a(C)Y= (D)Y=a+ 。
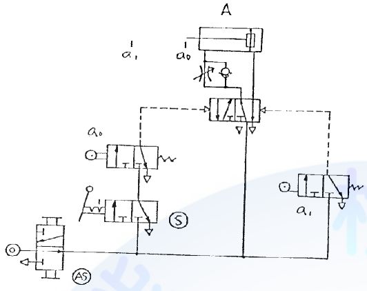
42. 依照一般繪氣壓迴路圖原則,下圖中何者有錯誤?(A)啟動開關(S)(B)氣源開關(AS)(C)極限開關 a0(D)氣壓缸 A。
43. 左圖表示(A)精密過濾器(B)自動排水過濾器(C)手動過濾器(D)加滑油器。
45. 下圖 P 口的壓力要多大,此閥門才會切換?(A)3 bar(B)0 bar(C)-1 bar(D)1 bar。
49. 左圖之邏輯表示是(A)(B)(C)Y=a+b(D)Y=a●b。
51. 控制閥的作動方式中,此 符號表示(A)雙向輥輪(B)機械操作(C)氣動(D)電磁線圈。
52. 下列何者為快速排氣閥附消音器?(A) (B) (C) (D) 。
54. 表示排放管之符號,下列何者正確?(A) (B) (C) (D) 。
56. 下列何者是直動式電磁閥之線圈氣壓符號?(A) (B) (C) (D) 。
63. 左圖為(A)雙向迴轉氣壓馬達(B)單向迴轉空氣壓縮機(C)雙向迴轉空氣壓縮機(D)單向迴轉氣壓馬達。
67. 下圖是(A)控制圖(B)相關圖(C)位移時間圖(D)位移步驟圖。
80. 左圖表示(A)共通點(B)殘留接點(C)常開接點(D)常閉接點。