所屬科目:技檢◆油壓-乙級
11. 如下圖為(A)壓力補償式可變排量型泵(B)雙連泵(C)複合泵(D)兩段泵 之符號。
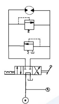
20. 如下圖所示,迴路有下列何種功能?(A)前進不減壓、後退減壓(B)前進、後退都減壓(C)前進、後退 都不減壓(D)前進減壓、後退不減壓。
22. 下圖為使用鋼鋸手弓鋸割大直徑實心圓桿的順序,何者正確?(A)A-B-D-C-E-G-H-F(B)A-B-D-C-E-HF-G(C)A-B-C-D-E-F-G-H(D)A-B-E-H-G-D-C-F。
29. 某一液壓泵排量 q=20cc/rev,為 6 極三相感應馬達驅動,在泵出口之工作壓力 p=200kgf/cm2 時, 該泵之容積效率 =0.95,全效率 η=0.90,試求泵之輸出功率 No=?(A)13.83(B)8.48(C)10.13(D)7.45 HP。
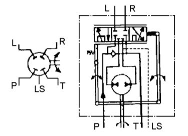
33. 下圖所示之意義(A)負載感應型油壓動力轉向器(B)中位開放,無反應型油壓動力轉向器(C)中位開 放,具有反應型油壓動力轉向器(D)中位關閉,無反應型油壓動力轉向器。
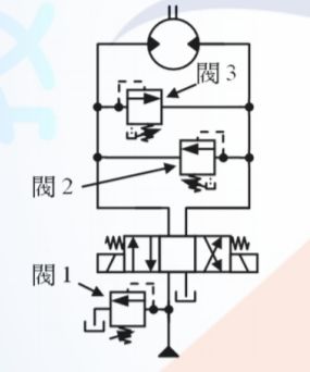
34. 下圖之迴路為一(A)壓力保持迴路(B)調速迴路(C)順序迴路(D)剎車迴路。
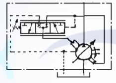
39. 圖示之意義(A)壓力補償控制可變量油泵(B)手調伺服控制可變量油泵(C)手調伺服控制一中心偏位 (閉迴路使用)可變量油泵(D)手調式機構控制可變量油泵。
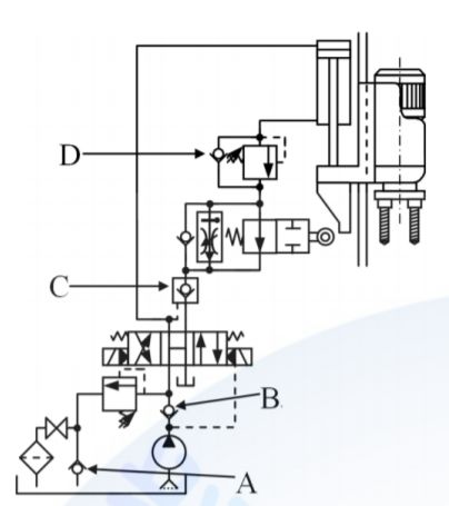
40. 如下圖所示,有一組油壓系統供應泵浦,用來驅動一支鑽孔油壓缸使其有一半行程為快速移動、 另一半慢速移動,下列敘述何者不正確?(A)B 為卸載閥(B)C 為低壓小排量泵浦(C)A 為溢流閥(D)D 為 低壓大排量泵浦。
46. 如下圖所示,下列何種閥件符號最正確?(A)方向與流量(B)壓力(C)方向(D)流量 邏輯閥。
52. 下圖所示邏輯閘,當輸入 X1=0,X2=0,則輸出 Y 是(A)11(B)0(C)10(D)1。
56. 下圖之迴路為一(A)剎車迴路(B)壓力保持迴路(C)調速迴路(D)順序迴路。
複選題:61. 如下圖所示,下列敘述何者為真?(A)前進、後退皆由壓油驅動(B)單動型衝柱式液壓缸(C)前進壓油 驅動,後退靠外力或自重回行(D)雙動型衝柱式液壓缸。
64. 如下圖所示,下列敘述何者有誤?(A)外部引導,內部排泄(B)內部引導,外部排泄(C)為引導操作止 回閥(D)外部引導,外部排泄。
66. 如下圖所示,下列敘述何者有誤?(A)內部引導,內部排泄(B)外部引導,外部排泄(C)內部引導,外 部排泄(D)外部引導,內部排泄。
71. 如下圖所示,電磁閥中位需何種形式,兩煞車閥才有煞車的功能 (A) (B) (C) (D) 。
72. 如下圖所示,下列敘述何者為真?(A)四口三位換向閥(B)中立位置四口全閉閥(C)過度位置四口瞬間 全閉(D)四口二位換向閥。
73. 如下圖所示,迴路如要控制油壓缸活塞桿後退,則需控制哪兩個電磁閥激磁?(A)S 4(B)S 2(C)S 1(D)S 3。
74. 如下圖為自動鑽床的油壓迴路圖,在迴路圖中共有 4 個止回閥(A、B、C、D 四處),試問 D 的順 向開啟壓力(crackingpressure)及其功能為何?(A)可使抗衡閥在油壓管線上有反向油流能正常通過 (B)0.3~0.5kgf/cm2(C)3.5~5kgf/cm2(D)作為鑽孔機構鎖固之用。
75. 為容積效率,計算油壓缸移動速度的公式,以下列何者為真?(A) ,V:cm/min、Q:cc /min、A:cm2(B) ,V:m/min、Q:l/min、A:cm2(C) ,V:cm/min、Q:l/ min、A:cm2(D) ,V:m/min、Q:cc/min、A:cm2。
77. 如下圖所示為鎖固回路,當油壓缸之活塞桿下降時,易產生顫震現象,下列何者可以改善此現象? (A)在電磁閥與引導止回閥加裝節流閥(B)在電磁閥與活塞側加裝節流閥(C)在排油口加裝節流閥(D)在 活塞桿側與引導止回閥加裝節流閥。