所屬科目:技檢◆電器修護-乙級
21. 如下圖符號表示(A)閘刀開關(B)保險絲(C)無熔線開關(D)油斷路器。
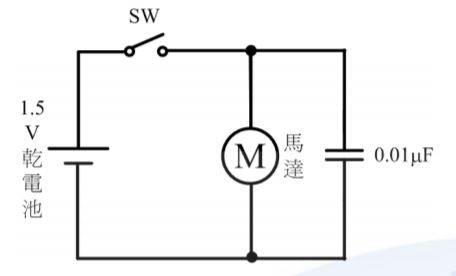
51. 如下圖為(A)吸塵器(B)吹風機(C)電扇(D)電鬍刀 之電路圖。
53. 如下圖電路常用於(A)電熱類電器(B)冷凍類電器(C)照明類電器(D)旋轉類電器。
62. 下列哪些為電機符號?(A) (B) (C) (D) 。