所屬科目:國軍退輔會職訓入學◆電力配置檢驗班
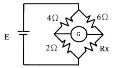
104. 如下圖所示,檢流計 G 指示值為零時,Rx 等於多少歐姆?(A)2(B)3(C)4(D)6。
106. 如下圖所示,電流表內阻為 1Ω,其滿刻度電流為 10 毫安,當並聯 1/9Ω 的分流器時,可量測的線路電流最大值為多少毫安?(A)400(B)300(C)200(D)100。
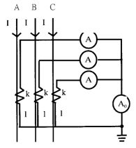
109. 如下圖所示三相三線平衡電路,I=80 安,CT 比值為 100/5A,則 指示值為多少安?(A)0(B)3(C)4(D)5。