所屬科目:專技◆消防設備師◆警報系統消防安全設備
三、美食街瓦斯燃料成分與燃燒下限濃度如下表,一回路檢知器數量有 11 個,以加瓦斯試驗器對檢知器進行動作試驗,測得由中繼器之動作確認 亮燈,至受信總機之瓦斯漏氣燈亮燈之時間為 62 秒,請說明加瓦斯試驗 器的操作步驟與測試濃度為何?又檢知器的選取檢查數量及性能檢查 的方法與結果判定為何?(25 分)
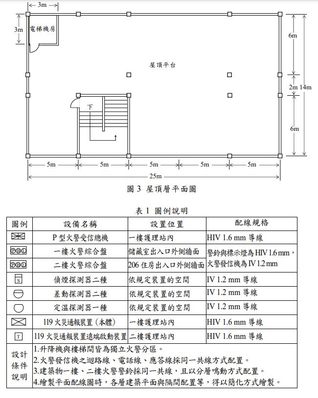
四、某長照機構為防火建築物,各層建築平面配置如圖 1 至圖 3,樓層高度 皆為 3.6 公尺,且僅一樓為無開口樓層,請依表 1 及相關規定,繪製火 警自動警報設備及 119 火災通報裝置之平面配線及系統昇位圖。 (25 分)