所屬科目:電子學
2.如【圖2】所示的電路為理想運算放大器(OPA),其電源電壓為±15V,若R2 =4R1 ,當Vi 為2.4V時,求V o 處的 電壓,下列何者正確? (A) -9.6V (B) -7.6V (C) +7.6V (D) +9.6V
4. N通道加強型MOSFET的閘-源電壓V GS 應如何才能使電晶體操作在夾止飽和區? (A) (B) (C) (D)
8.有關增強型MOSFET於不同工作區,下列敘述何者錯誤? (A) (B) (C) (D)
12.如【圖12】所示為一個三級串接放大器,若輸入電壓Vi=10 uV,則輸出Vo 為多少? (A) 10mV (B) 20mV (C) 40mV (D) 80mV
13.【圖13】為信號源阻抗Rs= 1 kΩ,Ro = 4kΩ,轉導放大器輸入阻抗Ri =1 kΩ,轉導增益 =2 mA/V,則Vo /Vs =? (A) -4 (B) 4 (C) -8 (D) 8
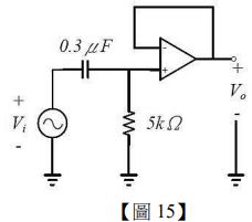
15.如【圖15】所示濾波電路,若OPA為理想運算放大器,則電路的臨界頻率(截止頻率)約為多少? (A) 0.1kHz (B) 0.5kHz (C) 1kHz (D) 2kHz
16.如【圖16】電晶體放大電路,假設其工作點於作用區,下列敘述何者錯誤? (A)電路為共射極放大電路 (B) 提供基極偏壓 (C) CE為射極旁路電容,提高交流電壓增益 (D) RE為射極電阻,可提高電壓增益
17.如【圖17】所示為兩個稽納二極體所構成截波電路,其輸入信號v i (t),稽納二極體之順向偏壓為1V,而其在反偏 之崩潰電壓分別為的平均值電壓應為多少? (A) -0.6 (B) 0.4 (C) 0.6 (D) 0.7
19.一個自由電子的帶電量為多少庫倫? (A) 庫倫的負電荷 (B)庫倫的正電荷 (C) 庫倫的負電荷 (D) 庫倫的負電荷
21.如【圖21】所示電子電路中,對於負載電阻R L 而言,由二極體所組成的電路,稱為下列何者? (A)半波整流電路 (B)全波整流電路 (C)全波降壓電路 (D)低通濾波電路
24.如【圖24】所示的變動波形,其工作週期D(duty cycle)為何? (A) 0.15 (B) 0.25 (C) 0.40 (D) 1.00
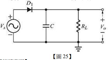
25.如【圖25】所示的電路中,電容器主要的功用是用來作為何? (A)整流 (B)降壓 (C)濾波 (D)防止短路
27.如【圖27】所示的運算放大器電路中,假若輸入電壓VS = 1 V,則OPA的非反相輸入端(標示 +)的電壓為多少? (A) 9 V (B) 1 V (C) 0.5 V (D) 0 V
30.由理想放大器所構成的如【圖30】中,下列敘述何者正確? (A)輸出電壓v o 為0 (B)這個電路又稱為電壓隨耦器電路 (C)輸出電壓v o 為 -1 (D)輸出電壓v o 為 -v o
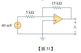
31.如【圖31】所示的理想放大器電路,請問輸出電壓為多少伏特?
(A) 120 mV (B) 40.0 mV (C) 20.0 mV (D) -120 mV
35.下列何者是發光二極體(LED)的符號? (A) (B) (C) (D)
37.如【圖37】所示的場效電晶體是屬於何種結構的場效電晶體? (A) (a)是P通道增強型MOSFET;(b)是N通道增強型MOSFET (B) (a)是P通道增強型MOSFET;(b)是N通道空乏型MOSFET (C) (a)是N通道增強型MOSFET;(b)是P通道空乏型MOSFET (D) (a)是N通道空乏型MOSFET;(b)是P通道增強型MOSFET
38.如【圖38】所示,方波的波峰因數(crest factor, CF)為何? (A) 0.273 (B) 0.333 (C) 0.500 (D) 1.00
40.如【圖40】所示,截波電路的輸入電壓為v i (t) = 15sin(100t) mV,非理想稽納二極體的順向導通電壓均為0.7 V; 而崩潰電壓分別為,則輸出電壓v o (t)的上下限分別為何? (A)輸出電壓正半週的上限為 +7 V;負半週上限為 +4 V (B)輸出電壓正半週的上限為 +7 V;負半週上限為 – 4 V (C)輸出電壓正半週的上限為 – 7.7 V;負半週上限為 – 4.7 V (D)輸出電壓正半週的上限為 +7.7 V;負半週上限為 – 4.7 V
41.如【圖41】所示,由理想二極體所組成的電路中,假設V 1 = 2 V,V 2 = 4 V,則流過20 Ω電阻的電流為何? (A) 0.3 A (B) 0.4 A (C) 0.7 A (D) 1.0 A
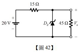
42.如【圖42】所示的電路中,稽納二極體的崩潰電壓為9 V,則輸出電壓V o 為何? (A) 9 V (B) 12 V (C) 15 V (D) 20 V
47.如【圖47】所示,由電阻、二極體及電壓源所構成的電路中,V m = 9 V,V 1 = 3 V,V 2 = 5 V,則有關輸出電壓的 敘述,下列何者正確? (A)輸出電壓正半週的最大值為 +3 V;負半週最大值為 +5 V (B)輸出電壓正半週的最大值為 -3 V;負半週最大值為 +5 V (C)輸出電壓正半週的最大值為 -5 V;負半週最大值為 +3 V (D)輸出電壓正半週的最大值為 +3 V;負半週最大值為 -5 V
48.如【圖48】所示為電子電路中用來消除傳導電磁干擾的電路結構,圖中A、B、C、D四個元件的性質為何? (A) A與B是電容器;C與D是電感器 (B) A與C是電容器;B與D是電感器 (C) A與C是電感器;B與D是電容器 (D) A與B是電感器;C與D是電容器
49.如【圖49】所示的電晶體電路中,流進電晶體集極的電流I C 為何? (A) 0.1 mA (B) 0.5 mA (C) 2.5 mA (D) 5.0 mA
50.如【圖50】所示,由理想運算放大器OPA所組成的電路中,假若輸入電壓v i (t) = 10sin(ωt) mV,則輸出電壓v o 為何? (A) 100sin(ωt) mV (B) -100sin(ωt) mV (C) -50sin(ωt) mV (D) 50sin(ωt) mV