所屬科目:技檢◆鍋爐操作-甲級
6. 下列何種生活小習慣的改變可減少細懸浮微粒( )排放,共同為改善空氣品質盡一份心力?(A) 養成運動習慣(B)少吃燒烤食物(C)使用吸塵器(D)每天喝 500cc 的水。
37. 設莫利遜波型爐筒最大內徑( D )及最小內徑(d)各為 750mm 及 680mm,設計壓力為 10kg/cm2,試 問該爐筒最小厚度 t 應為多少?(參考計算式 ,C=985、1100 )(A)6.9mm(B)7.26mm(C)6.63mm (D)6.82mm。
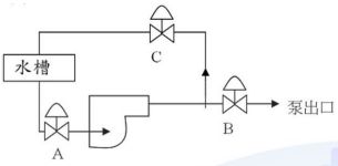
43. 如圖所示,A 閥為泵進口閥,B 閥為泵出口閥,C 閥為再循環閥,於 B 閥全關前提下欲起動該離 心泵,則 A、C 閥開關位置為(A)A、C 皆在全開位置(B)A、C 兩閥皆全關位置(C)A 閥全開,C 閥全關(D)A 閥全關,C 閥全開。
58. 民眾焚香燒紙錢常會產生那些空氣污染物增加罹癌的機率:A.苯、B.細懸浮微粒()、C.二氧 化碳(CO2 )、D.甲烷(CH4 )?(A)A B(B) CD(C)A C(D)BC。