阿摩線上測驗
登入
首頁
>
技檢◆室內配線(屋內線路裝修)
> 110年 - 2021 勞動力發展署北基宜花金馬分署_職前訓練甄試題目:室內配線(泰山)第03期#123408
110年 - 2021 勞動力發展署北基宜花金馬分署_職前訓練甄試題目:室內配線(泰山)第03期#123408
科目:
技檢◆室內配線(屋內線路裝修) |
年份:
110年 |
選擇題數:
40 |
申論題數:
0
試卷資訊
所屬科目:
技檢◆室內配線(屋內線路裝修)
選擇題 (40)
1. 變壓器矽鋼片鐵心含矽主要目的為何? (A)提高導磁係數 (B)提高鐵心延伸度 (C)提升絕緣 (D)減少銅損
2.一個額定10 kVA、220 V/110 V之單相變壓器,已知無載時一天的損耗電量為24度(kWh),試求變壓器的鐵損為多少W? (A) 300 (B) 500 (C) 700 (D) 1000
3.有一部三相Y接、1000 kVA、3kV同步發電機,已知額定輸出之同步阻抗為4.5Ω,試求同步阻抗的百分比為何? (A) 40% (B) 50% (C) 60% (D) 70%
4. 有A、B兩部三相Y接同步發電機作並聯運轉,若A機無載線電壓為230
V,每相同步電抗為2 Ω;B機無載線電壓為220
V,每相同步電抗為2Ω,且兩發電機內電阻不計,則其內部無效環流為多少安培( A )? (A) 1 (B) 1.5 (C) 2 (D) 2.5
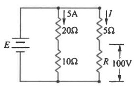
5. 如圖所示並聯電路,求電流I為
(A)10A (B)5A (C)25A (D)0A
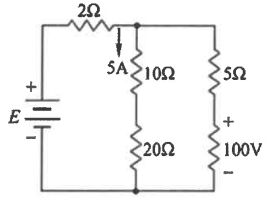
6. 如圖所示電路,試求電壓源E為多少伏特?
(A)100 (B)120 (C)150 (D)180
7.理想電壓源可供應變動負載RL之 (A)固定電壓及固定電流 (B)固定電壓及變動電流 (C)變動電壓及變動電流 (D)變動電壓及固定電流
8.利用克希荷夫定律,求圖電路之E3=?
(A)40V (B)60V (C)80V (D)100V
9.有串激式電動機,電樞內阻為0.3Ω,串激繞組的電阻為0.2Ω,若外加電壓為100V、電樞電流為10A,電樞繞組之應電勢為多少伏特? (A)100 (B)98 (C)97 (D)95
10.有一內含理想直流電源(且電源均為有限值)及純電阻之兩端點電路,其等效電路在什麼情況下一定不存在? (A)兩端點短路之短路電流為∞A,而兩端點開路之開路電壓為5V (B)兩端點短路之短路電流為4A,而兩端點開路之開路電壓∞V (C)兩端點短之短路電流為4A,而兩端點開路之開電壓為5V (D)兩端點短路之短路電流為0A,而兩端點開路之開路電壓為0V
11. 若螺管之圈數為500匝,電流為4安培,產生之磁通為2×106線,則此螺管之電感量為 (A)5.625亨利 (B)1.54亨利 (C)2.5亨利 (D)10亨利
12. 兩線圈之耦合係數為0.7,且其自感量各為10mH與40mH,則其互感量為 (A)8mH (B)20mH (C)21mH (D)14mH
13. 有一線圈其匝數為1000匝,其電感量為10H,若欲將自感量減為2.5H,則應減少多少匝的線圈? (A)500匝 (B)750匝 (C)250匝 (D)100匝
14. RLC串聯電路,若R=6Ω,XL=16Ω,XC=8Ω,線路電流I=10A,功率因數為 (A)1 (B)0.8 (C)0.6 (D)0
15. 在一包含單交流電源及RLC之交流電路中,某元件的電壓函數v(t)及電流函數i(t)分別為v(t)=sin(t)及i(t) =cos(t),則此元件可能為 (A)電阻 (B)電感 (C)電容 (D)電源
16.一交流電路由一單頻率正弦波電源、一電阻及一電感器串聯而成,電源頻率為60Hz、電壓均方根值為100V,電阻器電壓均方根值為60V、電阻值12Ω,則下列有關電感器的敘述,何者正確? (A)電抗值為16Ω (B)電感量約267mH (C)電流均值為4A (D)端電壓均方根值為40V
17.下列那一個是CPU執行指令的正確順序? (A)取資料,取指令,分析指令,執行 (B)取指令,取資料,分析指令,執行 (C)取指令,分析指令,取資料,執行 (D)取指令,分析指令,執行,取資料
18. 人工智慧(AI)是那一代電腦的特色? (A)第三代 (B)第四代 (C)第五代 (D)第六代
19. 已知“A”的ASCII碼十六進位表示為41,請問“Z”的ASCII碼二進位表示為 (A)01000001 (B)01010011 (C)01011010 (D)01100001
20.所謂32位元個人電腦,是指電腦的 (A)位址匯流排為32條線 (B)資料匯流排為32條線 (C)輸入/輸出埠32個 (D)記憶模組有32個
21. 下列哪一種介面的資料傳輸速度最快? (A) PCI 20 (B) AGP 2x (C) ISA (D)一樣快
22. Windows 採用哪種結構來儲存檔案? (A)樹狀目錄 (B) 環狀磁軌 (C) 網路目錄 (D) 以上皆非
23. 兩只完全相同之額定容量為220V、1000W 之電阻性電熱器並接在220V 電源時,其消耗之總功率為多少W? (A)250 (B) 500 (C) 1000 (D)2000
24. 高壓配電盤內裝置有CO、LCO、UV、OV等保護電驛,如電源停電時,則何種電驛會動作? (A)CO (B)LCO (C)UV (D)OV
25. V-V連接之變壓器組,其輸出總容量為△-△連接之多少%? (A)40 (B)50 (C)57.7 (D)86.6
26. 電路供應工業用紅外線燈電熱裝置,其對地電壓超過150伏,且在多少伏以下時,其燈具應不附裝以手操作之開關? (A)200 (B)250 (C)300 (D)400
27. 量測裸銅線之低電阻值時最準確的方法為 (A)惠斯登電橋法 (B)柯勞許電橋法 (C)凱爾文電橋法 (D)電壓降法
28. 高壓電路過電流保護器為斷路器者,其標置之最大始動電流值不得超過所保護導線載流量之幾倍? (A)1.25 (B)1.5 (C)3 (D)6
29. 燈具裝置於易燃物附近時,不得使易燃物遭受超過攝氏多少度之溫度? (A)60 (B)70 (C)80 (D)90
30. 某比壓器(PT)之二次側線路阻抗為10Ω,二次側線電壓為50V,則此PT之負擔為多少VA? (A)10 (B)100 (C)250 (D)1000
31. 低壓連接接戶線之長度,自第一支持點起以多少公尺為限? (A)20 (B)35 (C)40 (D)60
32.依據「專任電氣技術人員及用電設備檢驗維護業管理規則」之規定,技術團體之營業範圍,以其所在地相鄰多少縣市為限? (A)1 (B)2 (C)3 (D)4
33. 34 220V10HP一般用電動機,若使用厚金屬管配線,若不含設備接地線時,應選用之最小管徑為多少公厘? (A)16 (B)22 (C)28 (D)36
34. 長度超過多少公尺之金屬管配線中,導線直徑在3.2公厘以上者,應使用絞線? (A) 0.5 (B) 1 (C) 1.5 (D) 2
35.一部三相四極60Hz感應電動機,其轉子轉速為1700rpm,則該電動機的轉差率約為多少%? (A) 7.8 (B) 6.5 (C) 6.3 (D) 5.6
36. 依電業法之規定,電業供應電力及電熱用電之供電電壓變動率,不得超過百分之多少? (A)2 (B)3 (C)5 (D)10
37. PVC 絕緣帶纏繞導線連接部分時,應就PVC 絕緣帶寬度多少重疊交互纏繞? (A)1/5 (B)1/4 (C)1/3 (D)1/2
38. 電工機械中,下列何種絕緣材料的耐溫等級最高? (A) B (B) E (C) F (D) H
39. 三相電動機之名牌標明額定功率為3000W時,則該電動機輸出約為多少HP? (A) 2.5 (B)3 (C)3.5 (D)4
40.有一高壓感應電動機,接於3.3kV 非接地系統之電源上,該電動機之外殼應採何種接地? (A)第一種 (B)第二種 (C)第三種 (D)特種
申論題 (0)
相關試卷
115年 - 109 全國高級中等學校學生技藝競賽考試_工業類:室內配線#138481
115年 · #138481
108年 - [無官方正解]108 全國高級中等學校學生技藝競賽考試_工業類:室內配線工#139062
108年 · #139062