所屬科目:電子儀表概要
二、圖一所示為海氏電橋(Hay Bridge),其中待測電感器係以 RP Lp 並聯等 效電路表示,設驅動電橋之交流電源頻率為 1 kHz,且電橋於 C3 = 0.1 μF、 R1 = 1 kΩ、R3 = 100Ω、R4 = 500Ω時可達平衡,試求該電感器之等效 Lp 值及 RP 值。(25 分)
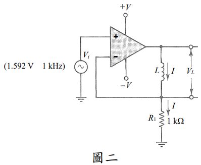
三、圖二所示為一得將電感值線性轉換為電壓值之電感量測電路,設輸入電源頻率為 1 kHz、其電壓為 1.592 Vrms、R1 = 1 kΩ,試求 L = 50 mH 時之 VL 值。 (25 分)