所屬科目:捷運◆機件(械)原理
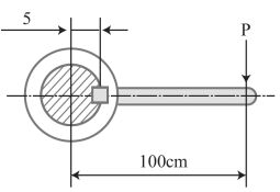
8. 如圖所示,有一長 100 cm 之槓桿,利用一鍵與半徑 5 cm 之軸連結, 若鍵長 4 cm,橫斷面為每邊 1 cm 之方鍵,若鍵容許剪應力為 20 MPa,則作用於桿端之力量中最大為多少 N? (A)50 (B)100 (C)200 (D)400。
13. 如圖所示,4 個相同的彈簧,彈簧常數均為 K,彈簧之總彈簧常數為何? (A)0.5K (B)K (C)2K (D)4K。
16. 一滑車組如圖所示,其機械利益為何? (A)0.25 (B)0.5 (C)2 (D)4
31. 圖中主動輪 A 以 240 rpm 旋轉時,則 B 輪最低轉速為多少 rpm? (A)20 (B)40 (C)100 (D)200。
38. 如圖所示之滑車組,若欲使重物上升 30 cm,則施力點需將繩拉下多少公分? (A)30 (B)60 (C)90 (D)120。
46. 此圖為何種棘輪? (A)雙動棘輪 (B)單爪棘輪 (C)無聲棘輪 (D)多爪棘輪。
50. 如圖所示,AB=10 cm、BC=40 cm,AB 桿以 120 rpm 逆時針轉動, 則滑塊之最大速度為多少 cm/sec? (A)10π (B)20π (C)40π (D)160π