所屬科目:電子學
一、圖一所示為 BJT 放大器之小信號電路模型,RS = 10 kΩ,rπ = 5 kΩ, gm= 50 mA/V,ro= 120 kΩ,RL = 30 kΩ。請計算小信號電壓增益 vo /vin。 (25 分)
二、圖二所示放大器,其開路電壓增益為無限大。vin = 5 V,R1 = 10 kΩ, R2 = 60 kΩ,R3 = 60 kΩ。請計算輸出電壓 vo。 (25 分)
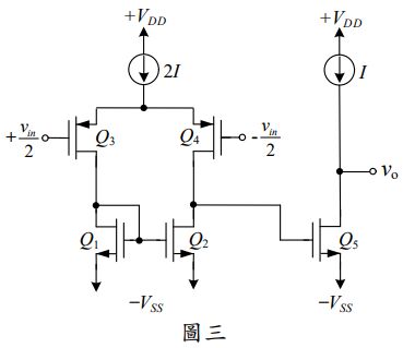
三、圖三所示兩級放大器,使用理想電流源 I、2I 偏壓,電晶體 Q1~Q5 皆操作於飽和區。輸入電壓 vin = 10 V,電晶體轉導 gm1~gm5 均為 20 mA/V,電晶體 ro1~ro5 均為 100 kΩ。請計算電壓增益 vo /vin。(25 分)