所屬科目:台電◆基本電學
1. 請問用節點電壓法分析電路是依據下列何者定律?(A)戴維寧定理 (B)諾頓定理 (C)克希荷夫電壓定律 (D)克希荷夫電流定律
2. 有一 1200 kVA 之變壓器,在滿載時功率因數為 0.6 滯後,若欲維持相同負載,利用調相機將功率因數提高至 0.8,試求所需調相機之容量(kVAR)為何? (A) 210 (B) 420 (C) 560 (D) 600
3. 有一帶電金屬球,半徑為 10 cm,帶電量為 2 ×10-3 庫倫,試求距離球心 5 cm 處之電場強度與電位各為多少? (A) 0,18 V (B) 18 牛頓/庫,18 V (C) 0,9 牛頓/庫 (D) 36 牛頓/庫,18 V
4. 有一電子對你而來,請問產生的磁力線方向為何?(A)順時鐘 (B)逆時鐘 (C)(D)
5. 將 2 ×10-3庫倫的正電荷由 b 點移向 a 點需作功 0.1 焦耳,若 a 點的電位為 60 V,則 b 點的電位為何? (A) -20 V (B) -10 V (C) 10 V (D) 20 V
6. 法拉第冷次定律 e=-N(Δψ/Δt)中,負號的正確意義為下列何者?(A)感應電勢的方向在阻止磁通變化 (B)電壓值與匝數成反比(C)感應電勢的方向和磁通變化相反 (D)電壓值與時間變化成反比
7. 有一 20 微法拉的電容,將其電壓自 100 伏特充電至 200 伏特,試求充電期間所充入的能量為多少焦耳(J)? (A) 0.1 J (B) 0.2 J (C) 0.3 J (D) 0.4 J
8. 有一 RC 串聯電路接至直流電壓 E,若將電阻 R 加倍,則此電容器所儲存之能量為原來之多少倍? (A) 0.5 倍 (B) 1 倍 (C) 2 倍 (D) 4 倍
9. 100 V、159 Hz 之交流電源連接到 RL 串聯電路,若測得電流為 5 A,跨於電阻之電壓為 60 V,試求電感抗值為何? (A) 2 Ω (B) 4 Ω (C) 8 Ω (D) 16 Ω
10. 有一匝數為 1000 匝之線圈,電感值為 8 H,若匝數減為 500 匝,試求線圈之電感值為何?(A) 1 H (B) 2 H (C) 4 H (D) 8 H
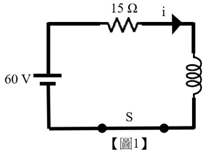
11. 如【圖 1】電路,當 S 閉合後其 ,試求穩定後電感器所儲存之能量為多少焦耳(J)?(A) 8 J (B) 12 J (C) 16 J (D) 24 J
12. 如【圖 2】電路,試求 Lab為多少亨利(H)?(A) 10 H (B) 18 H (C) 24 H (D) 30 H
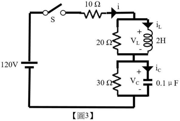
13. 如【圖 3】所示,開關(S)閉合瞬間,試求電流(i)為多少安培( A )?(A) 0 A (B) 2 A (C) 3 A (D) 4 A
14. 如【圖 3】所示,開關(S)穩定後,試求電流(i)為多少安培( A )?(A) 0 A (B) 2 A (C) 3 A (D) 4 A
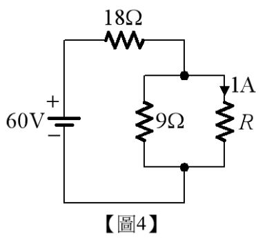
15. 如【圖 4】所示,試求電阻 R 為多少歐姆(Ω)?(A) 4 Ω (B) 6 Ω (C) 9 Ω (D) 14 Ω
16. 兩條平行導體相距 1 公尺,各通以 4πA 同方向之電流,試求在兩條導線中點之合成磁場為何?(A) 0 AT/m (B) 2 AT/m (C) 4 AT/m (D) 8 AT/m
17. 下列敘述何者有誤?(A)磁路中之磁通量與磁動勢成正比,而與磁阻成反比(B)磁阻與磁路長度成正比,而與磁路截面積及導磁係數成反比(C)韋伯是磁通量的單位(D)高斯為磁場強度的單位
18. 若 ,試問用 DCV 及 ACV 測量分別為何?(A) 0,0 (B) 0,100 V (C) 90 V,100 V (D) 100 V,90 V
19. 交流電壓 v(t)=Vmsin(314t+60°),交流電流 i(t)=Imcos(314t-30°),試問 v(t)與 i(t)之相位關係為下列何者? (A) v(t)超前 i(t) 90° (B) v(t)超前 i(t) 30° (C) v(t)與 i(t)同相 (D) v(t)超前 i(t) 60°
20. 有兩個正弦波分別表示為: ,試求兩正弦波的合成波 v(t) = v1(t)+v2(t)為多少 (A) (B) (C)(D)
21. 有一電壓 v(t)=100sin314t 經半波整流後,加至一電阻 R=10 Ω,則其產生之最大瞬時功率為多少? (A) 125 W (B) 250 W (C) 500 W (D) 1000 W
22. 有一 RCL 串聯電路,若 VC>VL,則下列敘述何者正確?(A) 電路呈電感性 (B) VR相位落後 V (C) 電流 I 相位領先 V (D) VC相位領先電流 I
23. 試求在諧振時 XL=200 Ω 其波寬為何?(A) 200 Hz (B) 300 Hz (C) 600 Hz (D) 1200 Hz
24. 承上題,試求截止頻率為何?(A) 10800 Hz 及 10000 Hz (B) 11850 Hz 及 12150 Hz(C) 12000 Hz 及 12300 Hz (D) 11700 Hz 及 12000 Hz
25. 有一交流電路已知,試求瞬間功率方程式為何? (A) 1000 (B) 500-1000 (C) 500-1000 (D) 500
26. 如【圖 5】所示,試求 R’與 X'分別為多少?(A)0.3 Ω,0.1 Ω (B) 1/3 Ω,1 Ω (C) 10/3 Ω,10 Ω (D) 10 Ω,10/3 Ω
27. 如【圖 6】所示,若欲使流經 10 Ω 電阻之電流 I 為零,試求電容( C )應為多少法拉(F)?
(A)1/4 μF (B) 1 μF (C) 10 μF (D) 20 μF
28. 如【圖 7】所示,試求品質因數 Q 為何?(A) 10 (B) 30 (C) 50 (D) 100
29. 如【圖 8】所示之直流電路,試求 4 歐姆電阻消耗的功率為多少瓦特(W)?(A) 1 W (B) 4 W (C) 16 W (D) 25 W
30. R-C 串聯時 PF=0.6,若將此二元件改為並聯時,請問 PF 為何?(A) 0.6 (B) 0.707 (C) 0.8 (D) 1
31. 平衡三相 Y 連接電源,相序為 a-b-c,若 Vab=220∠120°,請問下列何者正確?(A) Vbc=220∠-120° (B) Vca=220∠0° (C) Vca=220∠20° (D) Vbc=220∠0°
32. 某三相Δ接平衡負載之每相阻抗歐姆,線電壓為 240 伏特,試求該負載消耗之總功率為何? (A) 4157 W (B) 7200 W (C) 14400 W (D) 28800 W
33. 在 Y-Y 平衡三相電路中,下列敘述何者正確?(A)相電壓大小與線電壓大小相等 (B)相電壓大小為線電壓大小的倍(C)線電流大小為相電流大小的倍 (D)線電壓大小為相電壓大小的倍
34. 三只電燈泡其額定均為 120 V/100 W,今將其作 Y 接連接後,接於 3Φ 120之電源,試求三只電燈泡總消耗功率為何? (A) 300 W (B) 300 W (C) 600 W (D) 900 W
35. 兩電阻器分別為 a 及 b 歐姆,在同一電壓源下,接成串聯與改接成並聯時所消耗功率之比值為何? (A) 1/(a+b) (B) (a+b)/(a×b) (C) (a×b)/(a+b) (D) (a×b)/(a+b)2
36. 有一(2.00±0.02)安培電流流經(40.0±0.2)Ω 之電阻,則功率消耗最大可能誤差為何?(A) 1.5 % (B) 2 % (C) 2.5 % (D) 3 %
37. 有一電壓源( E )流出之總電流(I)供給一 RC 並聯電路,欲使電壓源( E )與電流(I)之相角差為 45º,試求 RC 間之關係為下列何者? (A) 4πfCR=1 (B) 2πfCR=1 (C) πfCR=1 (D) f=1/(2π )
38. RL 串聯接於 100 V 直流電源時消耗功率 1000 W,今改接於 120 V 交流電源時消耗功率 720 W,試求電感抗值為何? (A) 5 Ω (B) 10 Ω (C) 15 Ω (D) 20 Ω
39. 四個規格分別為 1 Ω/1 W、1 Ω/2 W、1 Ω/4 W、2 Ω/4 W 的電阻器串聯後,在不燒損電阻器條件下,試問相當於幾歐姆幾瓦的電阻器? (A) 4 Ω/4 W (B) 4 Ω/5 W (C) 5 Ω/4 W (D) 5 Ω/5 W
40. 便利商店業者為了響應節能減碳政策,全台 4000 家門市於每日凌晨 2 點到 5 點,關閉橫式招牌燈及騎樓燈,若 1 家門市之橫式招牌燈及騎樓燈的總功率為 1600 W,試求一個月(以 30 天 計算)後,4000 家的門市約可節省多少度的用電量? (A) 57.6 萬度 (B) 66.7 萬度 (C) 76.8 萬度 (D) 84.8 萬度