所屬科目:鐵路◆電機機械(概要)
34. 如圖【1】所示,為直流電動機的轉速特性曲線,下列敘述何者錯誤?
(A)甲為他激式電動機 (B)乙為積複激電動機 (C)丙為分激式電動機 (D)丁為差複激電動機
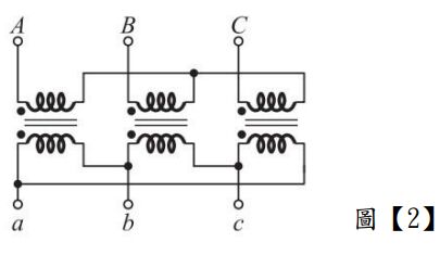
39. 如圖【2】所示,為三相變壓器連接法,請問此接法為何種三相連接法?(A)Y-Δ (B)Y-Y (C)Δ-Δ (D)Δ-Y
49. 三相Y接60Hz六極同步電動機,若線電壓為381V、每相同步電抗為10Ω,其接負載角 δ = 30°之負載,每相電樞反電勢為200V,則輸出功率PO為多少W? (A)4245W (B)5186W (C)6599W (D)7036W