所屬科目:電子學
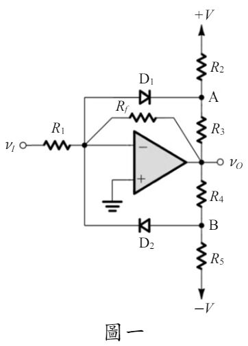
一、如圖一所示為一使用於振盪器之振幅控制限制器(limiter)電路,假設 R2 = R3 = R4 = R5。解釋其操作並繪其轉移特性曲線(transfer characteristic curve)。(25 分)
二、如圖二所示之模擬電感電路,假設 A1 及 A2為理想之運算放大器。試分析此電路並計算此電感電路之阻抗 Zin(s)。(25 分)
三、如圖三所示為一 NPN 雙載子電晶體電路,假設電晶體共射極電流增益β = 99、ICBO = 10-11 A 且 Rc = 2 kΩ。試計算 iC、iE 及 vCE。(25 分)