阿摩線上測驗
登入
首頁
>
技檢◆室內配線(屋內線路裝修)-乙級
> 114年 - 00700 室內配線─屋內線路裝修 乙級 工作項目 10:照明工程裝修 1-33(2025/10/03 更新)#131771
114年 - 00700 室內配線─屋內線路裝修 乙級 工作項目 10:照明工程裝修 1-33(2025/10/03 更新)#131771
科目:
技檢◆室內配線(屋內線路裝修)-乙級 |
年份:
114年 |
選擇題數:
33 |
申論題數:
0
試卷資訊
所屬科目:
技檢◆室內配線(屋內線路裝修)-乙級
選擇題 (33)
1. 放電管燈之附屬變壓器或安定器,其二次開路電壓超過多少伏時,不得使用於住宅處所? (A)300 (B)600 (C)1000 (D)1500 。
2. 放電管燈之附屬變壓器或安定器,其二次短路電流不得超過多少毫安?(A)30 (B)60 (C)100 (D)150 。
3. 手捺開關控制下列何種燈具時,其負載電流應不超過手捺開關額定電流值之百分之八○? (A)白熾燈 (B)聖誕燈 (C)日光燈 (D)真珠燈 。
4. 電路供應工業用紅外線燈電熱裝置,其對地電壓超過 150 伏,且在多少伏以下時,其燈具應不附裝以手操作之開關? (A)200 (B)250 (C)300 (D)400 。
5. 分路額定容量超過多少安培之重責務型燈用軌道,其電器應有個別之過電流保護? (A)15 (B)20 (C)30 (D)40 。
6. 40 瓦以上之管燈應使用功率因數在百分之多少以上之高功因安定器? (A)七五 (B)八○ (C)八五 (D)九○ 。
7. 學校之一般課桌照度標準為多少 Lx? (A)1200~1500 (B)1000~1200 (C)500~1000 (D)300~500 。
8. 屋外電燈線路距地面應保持多少公尺以上? (A)2 (B)3 (C)4 (D)5 。
9. 燈用軌道分路負載依每 30 公分軌道長度以多少伏安計算? (A)30 (B)50 (C)60 (D)90 。
10. 燈用軌道之銅導體最小應在多少平方公厘以上? (A)3.5 (B)5.5 (C)8 (D)14 。
11. 燈具、燈座、吊線盒及插座應確實固定,但重量超過多少公斤之燈具不得利用燈座支持之? (A)1.7 (B)2 (C)2.7 (D)3.5 。
12. 燈具裝置於易燃物附近時,不得使易燃物遭受超過攝氏多少度之溫度?(A)60 (B)70 (C)80 (D)90 。
13. 櫥窗電燈應以每 30 公分水平距離不小於多少瓦,作為負載之計算? (A)200 (B)150 (C)120 (D)100 。
14. 臨時燈設施,設備容量每滿多少安即應設置分路,並應裝設分路過電流保護? (A)15 (B)20 (C)30 (D)40 。
15. 住宅之一般照明負載,其每平方公尺單位負載以多少伏安計算? (A)5 (B)10 (C)20 (D)30 。
16. 學校之黑板一般照度標準以多少 Lx 計算? (A)150~200 (B)300~500 (C)300~750 (D)500~1000 。
17. 將 100 燭光的燈泡垂直於桌子正上方 2 公尺處,該 2 公尺水平面照度為多少 Lx? (A)200 (B)100 (C)50 (D)25 。
18. 一住宅樓板面積為 150 平方公尺,若其照明負載以每平方公尺 20 伏安計算,如以 110 伏 15 安的過電流保護開關配置,則照明負載需要多少個分路? (A)1 (B)2 (C)3 (D)4 。
19. 照度與光源距離 (A)成正比 (B)成反比 (C)平方成正比 (D)平方成反比 。
20. 有一間教室面積為 80 平方公尺,裝置 40W 日光燈 20 支,每支日光燈為2800 流明,若所有光通量全部照射到教室桌面上,其平均照度為多少Lx? (A)500 (B)700 (C)1200 (D)1400 。
21. 路燈線路工程,對地電壓超過多少伏時,其專用分路以裝置漏電斷路器為原則? (A)110 (B)150 (C)220 (D)300 。
22. 線路電壓 300V 以下之人行道,路燈離地最小高度應不低於多少 m? (A)2(B)2.5 (C)3 (D)3.5 。
23. 線路電壓 300V 以下之車行道,路燈離地最小高度應不低於多少 m? (A)2(B)3 (C)4 (D)5 。
複選題
24. 分路供應有安定器、變壓器或自耦變壓器之電感性照明負載,其負載計算,下列敘述哪些正確? (A)應以各負載額定電流之總和計算 (B)應以各負載額定電壓之總和計算 (C)不以燈泡之總瓦特數計算 (D)應以燈泡之個別瓦特數計算 。
複選題
25. 花線應符合下列哪些規定? (A)適用於 600 伏以下之電壓 (B)適用於 300 伏以下之電壓 (C)花線得使用於新設場所 (D)花線原則使用於既設更換場所,新設場所不得使用 。
複選題
26. 花線得使用於下列哪些場所? (A)照明器具內之配線 (B)吊線盒配線 (C)永久性分路配線 (D)移動式電燈之配線 。
複選題
27. 花線不得使用於下列哪些場所? (A)移動式電燈及小型電器之配線 (B)固定小型電器經常改接之配線 (C)沿建築物表面配線 (D)貫穿於牆壁、天花板或地板 。
複選題
28. 有關螢光燈的動作原理,下列敘述哪些正確? (A)安定器的主要功能為限制燈管電流 (B)起動器短路後,恢復開路的瞬間燈管開始點亮 (C)弧光放電期間燈管電流會越來越高 (D)點亮後燈管呈現高阻抗 。
複選題
29. 下列敘述哪些為日光燈安定器之功能? (A)產生日光燈起動時所需之高壓電 (B)發光後抑制電流變化,保護燈管 (C)在電極間並聯一電容,以抑制輝光放電之高諧波 (D)發光後使啟動器中的電壓降低,不會再啟動 。
複選題
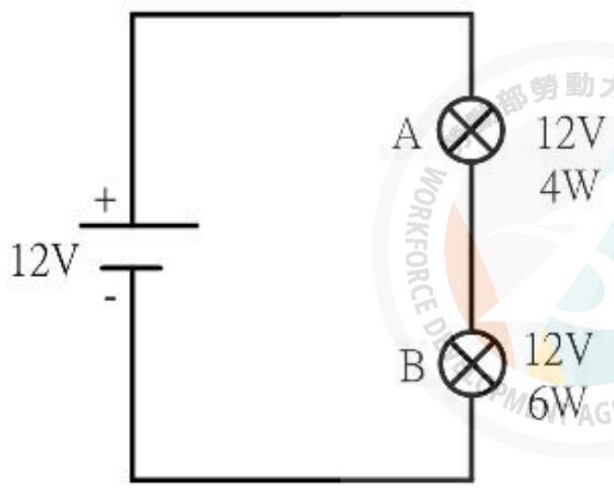
30. 如下圖所示,兩電燈泡 A 與 B 之規格。若該兩電燈泡之材質相同,串聯時,下列敘述哪些正確?
(A)A 較亮 (B)流經 A 的電流為 0.2 A (C)B 較亮 (D)流經 B 的電流為 0.2 A 。
複選題
31. 燈具導線應依下列哪些條件選用適當絕緣物之導線? (A)電壓 (B)電流 (C)溫度 (D)體積 。
複選題
32. 燈用軌道不得裝置於下列哪些地方? (A)潮濕處所 (B)穿越牆壁 (C)危險場所(D)超過地面 1.5 公尺之乾燥場所 。
複選題
33. 分路供應有安定器、變壓器或自耦變壓器之電感性照明負載,其負載計算,下列敘述哪些錯誤? (A)各負載額定電流之總和計算 (B)各負載額定電壓之總和計算 (C)燈泡之總瓦特數計算 (D)燈泡之個別瓦特數計算 。
申論題 (0)
相關試卷
114年 - 00700 室內配線─屋內線路裝修 乙級 工作項目 19:用電法規運用 1-37(2025/10/03 更新)#131780
114年 · #131780
114年 - 00700 室內配線─屋內線路裝修 乙級 工作項目 17:特別低壓工程裝置 1-30(2025/10/03 更新)#131779
114年 · #131779
114年 - 00700 室內配線─屋內線路裝修 乙級 工作項目 16:接地工程裝修 1-48(2025/10/03 更新)#131778
114年 · #131778
114年 - 00700 室內配線─屋內線路裝修 乙級 工作項目 15:電熱工程裝修 1-21(2025/10/03 更新)#131777
114年 · #131777
114年 - 00700 室內配線─屋內線路裝修 乙級 工作項目 14:開關及保護設備裝修 1-35(2025/10/03 更新)#131776
114年 · #131776
114年 - 00700 室內配線─屋內線路裝修 乙級 工作項目 13:變頻器運用 1-27(2025/10/03 更新)#131775
114年 · #131775
114年 - 00700 室內配線─屋內線路裝修 乙級 工作項目 12:可程式控制器工程運用 1-43(2025/10/03 更新)#131774
114年 · #131774
114年 - 00700 室內配線─屋內線路裝修 乙級 工作項目 11:電動機工程裝修 51-114(2025/10/03 更新)#131773
114年 · #131773
114年 - 00700 室內配線─屋內線路裝修 乙級 工作項目 11:電動機工程裝修 1-50(2025/10/03 更新)#131772
114年 · #131772
114年 - 00700 室內配線─屋內線路裝修 乙級 工作項目 09:配電盤、儀表工程裝修 1-32(2025/10/03 更新)#131770
114年 · #131770