阿摩線上測驗
登入
首頁
>
技檢◆室內配線(屋內線路裝修)-甲級
> 114年 - 00700 室內配線─屋內線路裝修 甲級 工作項目 04:變壓器工程裝修 1-50(2025/10/03 更新)#131728
114年 - 00700 室內配線─屋內線路裝修 甲級 工作項目 04:變壓器工程裝修 1-50(2025/10/03 更新)#131728
科目:
技檢◆室內配線(屋內線路裝修)-甲級 |
年份:
114年 |
選擇題數:
50 |
申論題數:
0
試卷資訊
所屬科目:
技檢◆室內配線(屋內線路裝修)-甲級
選擇題 (50)
1. 某 10kVA、2200/110 伏特、60Hz 之變壓器,其二次繞組有 55 匝,在一次繞組方面有一分接頭用以補償變壓器 4.5%阻抗壓降,試求一次繞組至分接頭之匝數約為多少匝? (A)1090 (B)1150 (C)1330 (D)1430 。
2. 100kVA、11.4kV 之三相變壓器其百分阻抗為 3%,今將此變壓器採用基準值為 200kVA、10kV,則變壓器之標么阻抗約為多少%? (A)5.8 (B)6.8(C)7.8 (D)8.8 。
3. 有一配電變壓器額定為 69/11.4kV、30MVA,其接法為△-Y,現欲在二次側(11.4kV 側)裝設一 CT,該 CT 之適當變流比為多少? (A)600/5 (B)1000/5 (C)1200/5 (D)1600/5 。
4. 3300/110V 之變壓器二次側實測電壓為 99V,欲調整為 107V,則分接頭應改在多少 V? (A)2850 (B)3000 (C)3150 (D)3300 。
5. 將一 1200/120V,10kVA 之單相變壓器接成 1200/1080V 降壓自耦變壓器使用時,則自耦變壓器的容量為多少 kVA? (A)10 (B)90 (C)110 (D)120 。
6. 某工廠之設備容量為 120kW、功因為 80%、需量因數為 60%,擬以兩具單相變壓器接成 V-V 接線供電時,單具變壓器之容量約為多少 kVA?(A)72 (B)62 (C)52 (D)42 。
7. 額定為 25MVA 之變壓器,鐵損 27kW,銅損 180kW,功率因數為 100%,負載為 1250kW 時,其效率為多少%? (A)90.2 (B)92.4 (C)99.4 (D)97.5 。
8. 20kVA 變壓器二具 2200/220V、V-V 接線,以供應 220V 平衡三相負載,若每一具變壓器均不超載,功率因數為 1,其二次側相電流約為多少 A? (A)87 (B)91 (C)100 (D)110 。
9. 某三相 100kVA 變壓器,其電阻標么值為 0.017Pu、電抗標么為0.021Pu,試求以 1000kVA 為基準 kVA 時之阻抗標么值為多少? (A)0.27(B)0.37 (C)0.47 (D)0.57 。
10. 要測定變壓器絕緣油氧化程度可做下列何種試驗? (A)絕緣電阻試驗 (B)酸價試驗 (C)耐壓試驗 (D)介質電力因數試驗 。
11. 變壓器套管因季節風帶來鹽霧害及空氣污染使表面污染,洩漏電流增加,可聽到部分放電音及看到放電光,應及時停電或活電沖水清洗,可噴灑下列何者以預防閃絡事故? (A)清水 (B)絕緣油 (C)清潔劑 (D)矽橡膠絕緣塗料 。
12. 變壓器絕緣油中之氮氣純度應 6 個月測量一次,含氧量達多少%以上者應更換新氮氣? (A)3 (B)6 (C)8 (D)10 。
13. 高壓變壓器之過電流保護應於一次側個別裝置過電流保護,如使用熔絲時,其連續電流額定應不超過該變壓器一次額定電流之多少倍? (A)2.5(B)3 (C)5 (D)6 。
14. 高壓變壓器之容量在 50 千伏安以下者,變電室通風口之總面積應不低於多少平方公分? (A)829 (B)900 (C)929 (D)1000 。
15. 50 赫(Hz)之變壓器,若用於 60 赫(Hz)之電源時,鐵損為原來之多少倍?(A)
(B)
(C)
(D)
。
16. 某變壓器額定輸出為 10kVA,在額定電壓鐵損為 120W,銅損為 180W,功因為 0.8 落後,使用於
滿載時,其效率為多少%? (A)98.2 (B)96.5 (C)88.3 (D)86.4 。
17. 變壓器絕緣油耐壓試驗,測試電極為球形電極、直徑為 12.5mm、電極間隙應調至多少 mm? (A)1.0 (B)1.5 (C)2.0 (D)2.5 。
18. 某 1000kVA 單相變壓器,一次側電壓 20kV、二次側電壓 3.3kV、滿載銅損 4.8kW、鐵損 3.2kW,則最大效率和當時之負載百分比各為多少%? (A)98、81 (B)96、90 (C)98、90 (D)95、81 。
19. 一單相變壓器,一次側電壓為 3150V,無載電流為 0.109A,鐵損48.8W,其磁化電流為多少 A? (A)0.0935 (B)0.0155 (C)0.1079 (D)0.111 。
20. 60 赫(Hz)的小型配電變壓器,如將其連接在電壓相同,但頻率為 50 赫(Hz)的電源上,則 (A)其鐵損稍為減少,無載電流稍為增加 (B)其鐵損稍為減少,無載電流梢為減少 (C)其鐵損稍為增加,無載電流稍為增加 (D)其鐵損及無載電流不變 。
21. 有關變壓器絕緣油應該具備的條件,下列何者錯誤? (A)凝固點高 (B)黏度低 (C)引火點高 (D)絕緣耐壓強 。
22. 有一 5kVA,3150/210V,60 赫(Hz)之變壓器,二次換算為一次的等值電阻為 75Ω,二次換算為一次的等值電抗是 40Ω,此變壓器之負載功率因數為 0.8 越前,則電壓調整率為多少%? (A)3.5 (B)1.8 (C)4.2 (D)5.6 。
23. 某一變壓器電壓比為 3300/220V,分接頭有 2850V、3000V、3150V、3300V、3450V,現接於 3300/220V 分接頭二次側得 200V 電壓,現在二次電壓欲維持到 220V 則一次側分接頭應調到多少 V? (A)3000 (B)3150(C)3300 (D)3450 。
24. 有二具均為 50kVA 之單相變壓器,按 V-V 接線使用於三相電源系統,若另增加一具同規格之變壓器,將其改接成△-△接線,則該變壓器組輸出容量可增加多少 kVA? (A)57.7 (B)60.5 (C)63.4 (D)86.6 。
25. 單相 50kVA、2400/240V 的普通變壓器,連接成 2400/2640V 昇壓自耦變壓器,則此變壓器容量為多少 kVA? (A)450 (B)500 (C)550 (D)600 。
26. 假設有 3 具完全相同的單相變壓器,其規格為:額定容量 100kVA,一、二次側電壓分別為 11.4kV 及 220V,百分阻抗值為 2.5%。如果將其接成△-Y接的三相變壓器,則此三相變壓器的百分阻抗值為多少%?(A)1.44 (B)2.5 (C)4.33 (D)7.5 。
27. 額定輸出為 100kVA 之單相變壓器用以供給功率因數為 100%之負載,於 3/4 負載時其效率最大,如負載功率因數改為 80%時,且使其效率也最大,則所供給之負載為多少 kW? (A)75 (B)70 (C)65 (D)60 。
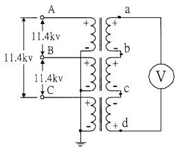
28. 三具單相 6.6kV/220V 變壓器,作如下圖所示之連接,並接於三相11.4kV 平衡電源,其中第三具極性為加極性,則電壓 Vad 之值為多少V?
(A)0 (B)
(C)220 (D)440 。
29. 單相變壓器供給 1600W 之負載,總損失為 400W,則效率約為多少%?(A)70 (B)75 (C)80 (D)85 。
30. 自動電壓調整器在電力系統中,可自動調整以維持線路系統之何者為定值? (A)電功率 (B)電壓 (C)相位 (D)電流 。
31. 如下圖所示之平衡三相電路,設 CT 為 50/5A,負載為三相平衡,則電流I 之值為多少 A?
(A)1 (B)
(C)5 (D)10 。
32. 下列對三相變壓器短路試驗之敘述何者錯誤? (A)可求得等效阻抗 (B)通常將低壓側短路 (C)無法求得銅損 (D)無法求得鐵損 。
33. 變壓器之其負載大小與下列何者無關? (A)鐵損 (B)銅損 (C)溫昇 (D)電壓調整率 。
34. 貫穿一匝之比流器變流比為 100/5A,若配合 50/5A 之電流表,則該比流器須貫穿多少匝? (A)1 (B)2 (C)3 (D)4 。
35. 變壓器分接頭主要用途為 (A)調整相角 (B)調整電壓 (C)調整頻率 (D)調整功率因數 。
36. 桿上變壓器之外殼標示 7.2-50 代表 (A)電壓、電流 (B)電壓、頻率 (C)電壓、容量 (D)電流、容量 。
37. 額定為 25MVA 之變壓器、鐵損 27W、銅損 180W,負載為 12500kW,功率因數為 100%時,其效率為多少%? (A)90.2 (B)92.4 (C)99.4 (D)97.5 。
38. 將一感應電動機以自耦變壓器法起動,電壓由 550 伏降到 350 伏時,設其二次側電流為 80A,則自耦變壓器之輸入側及輸出側電流各為多少A? (A)50、30 (B)50、80 (C)30、50 (D)80、30 。
39. 下列何者不是單相變壓器並聯運用時之必要條件? (A)一次及二次側額定電壓相同 (B)極性相同 (C)匝數比相同 (D)容量相同 。
40. 計量用變比器之接地線,其導線截面積不得小於多少平方公厘? (A)2.0(B)3.5 (C)5.5 (D)8 。
41. IEEE37.02 以 1 至 99 數目代表電力系統之功能設備,其中 87 是指何種電驛? (A)交流過電流電驛 (B)交流過壓電驛 (C)差動電驛 (D)低電壓電驛 。
42. 以高阻計測定變壓器之絕緣電阻,共須測定幾次? (A)1 (B)2 (C)3 (D)4 。
43. 變壓器內部故障時,下列何種保護電驛代號能偵測到槽內絕緣液體壓力突昇而動作去跳脫斷路器? (A)87T (B)67 (C)63 (D)49 。
44. 保護用 CT 100/5A,C800,其規格中 C800 是表示多少 VA(負擔)? (A)100 (B)200 (C)400 (D)800 。
45. 計量用 CT 100/5A,B-1.8,其規格中 B-1.8 是表示多少 VA(負擔)? (A)1.8 (B)15 (C)30 (D)45 。
46. 計量用 PT 161kV/110V,0.3Z,其規格中 Z 是表示多少 VA(負擔)? (A)25 (B)35 (C)75 (D)200 。
47. 單相變壓器(6900-6600-6300-6000-5700 V /110V)一次側採用接頭為6600V,二次側量得電壓為 105V,若二次側欲得 110V,其一次側接頭應改為多少 V? (A)6900 (B)6600 (C)6300 (D)6000 。
48. 一額定為 90kVA 的變壓器,負載功率因數為 0.8,在滿載時,可獲得最大效率為 96%,滿載時銅損為多少 W? (A)1440 (B)1800 (C)2560 (D)3200 。
49. 一變壓器電壓比為 3300/100V,若一次側匝數減少 10%,則二次側電壓約為多少 V? (A)99 (B)100 (C)111 (D)120 。
50. 在變壓器的等效電路中,下列何者代表變壓器的鐵損? (A)漏磁電抗 (B)激磁電導 (C)一次線圈線電阻 (D)二次線圈線電阻 。
申論題 (0)
相關試卷
114年 - 114-3 全國技術士技能檢定學科_甲級:00700 室內配線─屋內線路裝修#133469
114年 · #133469
114年 - 00700 室內配線─屋內線路裝修 甲級 工作項目 16:熟悉用電法規 1-39(2025/10/03 更新)#131760
114年 · #131760
114年 - 00700 室內配線─屋內線路裝修 甲級 工作項目 14:電力系統監控工程裝修 51-76(2025/10/03 更新)#131759
114年 · #131759
114年 - 00700 室內配線─屋內線路裝修 甲級 工作項目 14:電力系統監控工程裝修 1-50(2025/10/03 更新)#131758
114年 · #131758
114年 - 00700 室內配線─屋內線路裝修 甲級 工作項目 13:避雷器工程裝修 1-24(2025/10/03 更新)#131757
114年 · #131757
114年 - 00700 室內配線─屋內線路裝修 甲級 工作項目 12:電熱工程裝修 1-37(2025/10/03 更新)#131756
114年 · #131756
114年 - 00700 室內配線─屋內線路裝修 甲級 工作項目 11:接地工程裝修 1-49(2025/10/03 更新)#131755
114年 · #131755
114年 - 00700 室內配線─屋內線路裝修 甲級 工作項目 10:照明工程裝修 1-27(2025/10/03 更新)#131754
114年 · #131754
114年 - 00700 室內配線─屋內線路裝修 甲級 工作項目 09:電動機工程裝修 51-72(2025/10/03 更新)#131753
114年 · #131753
114年 - 00700 室內配線─屋內線路裝修 甲級 工作項目 09:電動機工程裝修 1-50(2025/10/03 更新)#131752
114年 · #131752