所屬科目:技檢◆農業機械修護-乙級
(A)蝸桿 (B)蝸齒輪 (C)齒條 (D)傘形齒輪 。
(A)3.675mm (B)367.5mm (C)3.675cm (D)36.75cm 。
(A)16.10mm (B)36.50mm (C)41.70mm (D)76.00mm 。
(A) (B) (C) (D)。
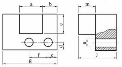
(A)a 是大小尺度,f 是大小尺度 (B)d 是大小尺度,c 是位置尺度 (C)b 是位置尺度,f 是位置尺度(D)n 是大小尺度,d 是大小尺度 。
(A) (B) (C) (D) 。
(A)刀痕方向 (B)切削加工 (C)表面粗糙度 (D)加工裕度 。
(A)共有四種零件 (B)有盲孔及貫穿孔 (C)有螺椿 (D)有平墊圈 。
(A)有螺栓 (B)有盲孔 (C)有彈簧墊圈 (D)共有六種零件 。