所屬科目:技檢◆油壓-丙級
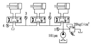
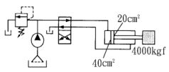
(A)量出控制(meter-out)前進及後退速度 (B)量入控制(meter-in)前進及後退速度 (C)量出控制(meter-out)後退速度 (D)量入控制(meter-in)前進速度 。
(A)壓力降低 (B)量出調節 (C)順序 (D)串聯 迴路。
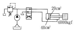
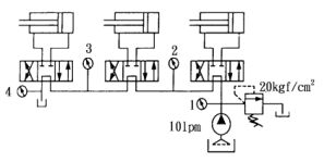
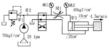
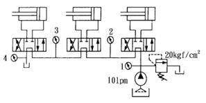
(A)10 (B)20 (C)30 (D)40
(A)2 (B)4 (C)6 (D)20
(A)0 (B)30 (C)40 (D)70
(A)70 (B)40 (C)30 (D)20
(A)100 (B)102 (C)200 (D)220
(A)110 (B)220 (C)330 (D)440
(A)向左快 (B)向右快 (C)速度相同 (D)壓力相同 。
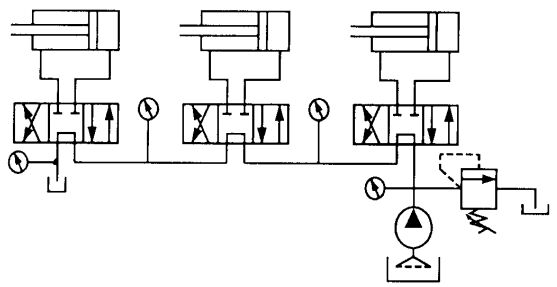
(A)上升速度控制 (B)下降速度控制 (C)上升同步速度控制 (D)下降速度同步控制 。