所屬科目:台電◆物理
1. 小綺每日沿同一條路線跑步上下班,其上班速率為6 km/hr,下班速率為12 km/hr,若全程的平均速度量值為A km/hr;全程的平均速率為B km/hr,則(A,B)為何?(A) (0,3) (B) (0,7) (C) (0,8) (D) (3,6)
2. 將毛巾和塑膠尺兩者互相摩擦後,結果為毛巾帶正電,塑膠尺帶負電,請問下列推論何者正確?(A) 毛巾得到部分的質子 (B)塑膠尺得到部分的電子(C)塑膠尺部分的電子轉移到毛巾 (D)毛巾部分的質子移到塑膠尺
3. 將某一溫度計放入0 ℃的冰水中,測得讀值為 -10 ℃,改放於100 ℃的沸水中,測得讀值為105 ℃,若將該溫度計放入A液體中,測得讀值為36 ℃,則A液體實際溫度為多少℃?(A) 40 (B) 42 (C) 43 (D) 46
4. 如右圖所示,在一光滑無摩擦桌面上將兩物體用一條繩子連接,不考慮繩子重量,當施加一拉力150 N去拉動兩物體時,則繩子對35 kg物體的拉力為多少N?(A) 15 (B) 35(C) 45 (D) 50
5. 有一平面鏡,已知入射線與反射線的夾角為60度,則反射角為多少度?(A) 15 (B) 30 (C) 45 (D) 60
6. 將三電阻並聯,電阻值分別為R、2 R、4 R,加一電壓後,此三電阻上的電流比為下列何者?(A) 1:2:4 (B) 2:3:6 (C) 3:2:1 (D) 4:2:1
7. 一繩索能支撐的最大力量為1,200 N,有一體重30 kgw的人利用該繩索往上攀爬,試求最大加速度為多少m/s2?(已知重力加速度g = 10 m/s2)(A) 10 (B) 15 (C) 30 (D) 40
8. 小棋與小鈞從靜止開始以2 m/s2之等加速度,分別往正北方及正東方開始運動,2秒後兩者之距離為多少m?(A) (B) (C)(D)
9. 假設一剛性物體同時分別受到F1 = 3 N及F2 = 4 N兩個作用力,則下列何者絕非該剛性物體所受的合力量值?(A) 1 N (B) 5 N (C) 7 N (D) 8 N
10. 有一冷氣規格標示為110 V、3,000 W,若按照冷氣規格標示連續使用12小時,則總計消耗的電能為多少度?(A) 11 (B) 13 (C) 33 (D) 36
11. 夏季將水銀溫度計擺放在戶外,該溫度計內水銀液面慢慢升高,試問該水銀液面升高為下列何者物理量變大?(A)體積 (B)比熱 (C)密度 (D)質量
12. 使用同一廠牌、不同規格之鎢絲電燈泡,其規格標示分別為110 V、100 W及110 V、30 W,試問下列何者為100 W鎢絲電燈泡相對明亮之最主要原因?(A) 100 W鎢絲電燈泡的電阻較低 (B) 100 W鎢絲電燈泡的電壓較高(C) 100 W鎢絲電燈泡的電流較低 (D) 100 W鎢絲電燈泡的電壓較低
13. 一飛機墜入海中,其黑盒子發出頻率30 kHz的超聲波,若已知海中聲速為1,200 m/s,則此超聲波的波長為多少m?(A) 0.004 (B) 0.04 (C) 4 (D) 40
14. 依據托里切利的大氣壓實驗,若試管內有0.3 atm的氣體壓力,並測得水銀柱高為38 cm,則大氣壓力應為多少atm?(A) 0.8 (B) 0.9 (C) 1.3 (D) 1.5
15. 如右圖所示,一單擺下端繫一質量300 g的擺錘,其擺線長為10 m,若將擺線拉至擺角60度由靜止釋放,忽略摩擦損失,當擺錘擺至最低點時,擺錘速率為多少m/s?(已知重力加速度g = 10 m/s2)(A) 5 (B) 10(C) 15 (D) 30
16. 已知4個相同彈簧其彈簧常數均為K,若將3個彈簧並聯後,再串聯另1個彈簧,則總彈簧常數為多少? (A) K (B) 1 K (C)K (D) 2 K
17. 一物體作直線運動,在5秒內由10 m/s向東的速度,轉變成5 m/s向西的速度,則其平均加速度為何?(A) 1 m/s2,向西 (B) 1 m/s2,向東 (C) 3 m/s2,向西 (D) 3 m/s2,向東
18. 一機車輪胎與地面摩擦可提供機車向心加速度20 m/s2,若機車要以時速108 km/hr順利轉彎,則轉彎半徑最小可為多少m?(A) 20 (B) 35 (C) 40 (D) 45
19. 下列何者不具有向量特性?(A)電位 (B)力 (C)速度 (D)電場
20. 在一彈簧上施加20 N的力量,使該彈簧被壓縮1 cm,若將該彈簧壓縮2 cm,則該彈簧位能為多少J?(A) 0.04 (B) 0.4 (C) 4 (D) 40
21. 將3安培的電流通過一半徑為4 mm的導線,則在3分鐘內通過此導線的總電量為多少庫侖?(A) 540 (B) 600 (C) 720 (D) 900
22. 下列有關交流發電機的敘述,何者正確?(A) 其工作原理與電動機相同 (B)利用電能轉換為動能(C) 所產生的電流方向固定(D) 利用線圈在磁場中持續轉動,使穿過磁力線的數目發生變化而產生感應電流
23. 將一重量為90 gw、密度為3 g/cm3的鋁塊,放入密度為0.6 g/cm3的液體中,則鋁塊所受的浮力為多少gw?(A) 9 (B) 15 (C) 18 (D) 30
24. 小慧騎腳踏車從靜止開始以1 m/s2之等加速度前進30秒後,即維持等速度前進10分鐘,後再以 -0.5 m/s2之等加速度前進,直到停止。試問小慧共騎了多少秒? (A) 650 (B) 670 (C) 690 (D) 710
25. 如右圖所示之滑輪組,不計摩擦損失及滑輪重量,若要將300 N物塊吊起,則F需加多少N?(A) 30(B) 40(C) 50(D) 60
26. 物理量的單位包括基本單位及導出單位,下列何者為導出單位?(A)燭光(cd) (B)安培( A ) (C)公斤(kg) (D)焦耳(J)
27. 電力公司利用變電所將電壓升高,再將電輸送至遠方,此輸送過程之目的為何?(A)增加輸電線電阻 (B)減小傳輸熱消耗 (C)增加傳輸速率 (D)減小傳輸電功率
28. 一個由均勻導線繞成的螺線管,長度與截面積均為固定,下列敘述何者正確?(A) 管外側磁場量值最大 (B)管內中心處磁場量值為零(C)管兩端相當於磁鐵棒N極與S極 (D)管內磁場量值與電流量值無關
29. 如右圖所示之物體靜置於光滑水平面上,若同時受到F1、F2 二力作用,使物體向右移動 10 公尺,下列何者正確?(A) F1 與 F2 均作正功 (B) F1 與 F2 均作負功(C) F1 作正功,F2 作負功 (D) F1 作負功,F2 作正功
30. 在外海形成的海嘯為波浪之一種,當它傳遞接近岸邊時,下列敘述何者正確?(A)波速變慢 (B)波速不變 (C)波速變快 (D)波高不變
31. 在光滑水平地面上,質量為3 m、速度為v的甲木塊,與質量為m的靜止乙木塊,發生一維正面碰撞。若碰撞後乙木塊相對於甲木塊的速度為0.6 v,則下列敘述何者正確?(A) 碰撞後甲木塊的速度為1.2 v (B)碰撞後乙木塊的速度為0.6 v(C) 碰撞後甲、乙兩木塊的總動量守恆(D) 在碰撞過程中,甲、乙兩木塊的總動量守恆
32. 從原子的觀點觀看物質的三態,其分(原)子間距離大小關係為何?(A)固態>液態>氣態 (B)液態>氣態>固態 (C)氣態>液態>固態 (D)氣態>固態>液態
33. 將凹面鏡自頂點以下一半遮住,則物體經此凹面鏡之成像,下列敘述何者正確?(A) 只有上一半成像 (B)只有下一半成像(C)無法成像 (D)成像與未被遮時一樣,但亮度較暗
34. 一輛質量1,800公斤汽車行駛在高速公路上,若其速率由20公尺/秒加速到30公尺/秒,則汽車的動能增加多少焦耳?(A) 5.0×103 (B) 9.0×104 (C) 3.0×105 (D) 4.5×105
35. 某人將質量2公斤的手提箱,由地面等速提至高度為0.5公尺後,沿水平面緩慢行走10公尺,假設行走時手提箱維持在離地0.5公尺高度,則此人對手提箱總共作多少功?(已知重力加速度g = 10 m/s2 )(A) 1 J (B) 10 J (C) 100 J (D) 200 J
36. 一質量為720公斤球體,具有3,600千焦耳動能,則此球體速度為多少公尺/秒?(A) 102 (B) 103 (C) 104 (D) 105
37. 以初速v0公尺/秒水平拋射一物體經t秒後著地,若初速加倍,則該物體經幾秒後著地?(A) 0.5 t (B) t (C) 2 t (D) 4 t
38. 若以能量轉換觀點說明水力發電原理,下列敘述何者正確?(A) 水的熱能轉換成電能 (B)水的化學能轉換成電能(C)水的重力位能轉換成電能 (D)水的彈性位能轉換成電能
39. 我國目前核能電廠採用核燃料發電,下列何者為其發電過程之能量轉換與反應形式?(A)質能轉換 (B)聲能轉電能 (C)核融合 (D)動能轉熱能
40. 兩相距2公分之電荷Q1與Q2,彼此間之受力為3牛頓。若將兩電荷之距離移開至4公分,則此時兩電荷彼此間之受力為多少牛頓?(A) 0.48 (B) 0.75 (C) 1.25 (D) 1.50
41. 當物體所受合力為零時,有關該物體運動或狀態之敘述,下列何者正確?(A) 軌跡為拋物線的運動 (B)地表附近的自由落體運動(C)等加速度運動 (D)靜止
42. 有一樂器上張緊的弦固定於兩端,其基音頻率ƒ0=252 Hz。若在張力不變下,按住此弦的中點,則彈奏此弦時發出基音 ƒ0'為 ƒ0 的多少倍?(A) 0. 25 (B) 0. 5 (C) 1 (D) 2
43. 某人在地球表面之體重為270 N,若其距地表高度為地球半徑的2倍,則此人重量為多少N?(A) 30 (B) 60 (C) 90 (D) 120
44. 交通警察的測速雷達可測得車輛是否超速,此裝置係應用下列何項原理?(A)干涉 (B)繞射 (C)都卜勒效應 (D)透射
45. 有一列火車以等速接近一座山,駛至距山630公尺時鳴放汽笛,經3秒後,火車上的人聽到回聲,則火車速度為多少公尺/秒?(聲速為340公尺/秒)(A) 80 (B) 160 (C) 240 (D) 320
46. 平面鏡成像時,針對鏡中的像,下列敘述何者正確?(A)倒立實像 (B)倒立虛像 (C)正立實像 (D)正立虛像
47. 某物體作簡諧運動,若其位置x與時間t的關係為x = 8 cos ( t),此公式中x、t的單位分別為5公分與秒,下列敘述何者正確?(A)振幅為8公分 (B)週期為8秒 (C)振幅為16公分 (D)週期為16秒
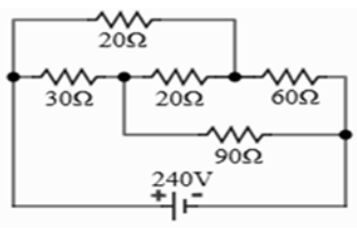
48. 如右圖所示之電路,其等效電阻RT為多少Ω?
(A) 4(B) 6(C) 8(D) 10
49. 如右圖所示之電路,其30 Ω處所消耗之功率為多少瓦?(A) 100(B) 120(C) 140(D) 160
50. 編號K18地震站測得5月22日13時14分的地震震源,在K18的東南方3,600公尺處,若已知地震波在地殼的傳播速率為4,000公尺/秒,則該地震波由震源傳至K18位置,共需多少秒?(A) 0.3 (B) 0.6 (C) 0.9 (D) 1.2