所屬科目:國中技藝◆電機電子群
101. 在銲接電路的過程中,因銲接面電路走線封閉,導致另一條線路無法通過時,只好利用下列何種方式引導到零件面來?(A)跳線(B)地線(C)火線(D)中性線。
102. 欲更換電路板上的零件,或電路銲接錯誤後更正,應利用______以去除多餘的銲錫。(A)海綿(B)吸錫器(C)尖嘴鉗(D)鍍鋅銅線
103. 下列何者為溫溼度感測器?(A)DHT-11(B)iPhone(C)iPad(D)Switch
104. 下列何者為開發App的軟體?(A)Arduino(B)Scratch(C)WFduino(D)AppInventor。
105. Bluetooth為(A)紅外線(B)藍芽(C)無線電(D)WiFi通訊裝置。
106. 蜂鳴器會發出聲音,係通電後振動________所產生的聲響。(A)彈簧(B)塑膠(C)木板(D)膜片
107. Scratch 軟體操作視窗中, 這個按鈕的功能是?(A)複製(B)開啟新角色(C)貼上(D)切換為全螢幕。
108. ArduinoUNO板是藉由(A)無線通訊(B)USB(C)藍芽(D)RS232 與電腦進行資料傳輸。
109. 下列程式:digitalWrite(LED,HIGH)指令為(A)將LED設為1(B)讀出LED之狀態(C)將LED設為0(D)讓LED閃爍。
110. Scratch 軟體操作視窗中, 這個按鈕 的功能是?(A)繪製新角色(B)切換為全螢幕(C)分享作品(D)開啟新角色。
111. 下列有關用電設備絕緣與接地之敘述,何者正確?(A)周圍濕度升高,則絕緣電阻升高(B)低接地電阻為佳(C)絕緣電阻越低越好(D)接地電阻越高越好。
112. 非金屬管與金屬管比較,前者之優點具有(A)耐腐蝕性(B)耐熱性(C)耐衝擊性(D)耐壓力。
113. 多芯線使用於PCB板焊接時,剝線後使用前之處理下列何者為宜?(A)鍍錫(B)加散熱膏(C)加焊油(D)加防鏽膏。
114. 使用數位型三用電表時,應該將黑色測試棒置入(A)“10A”插孔(B)“−”插孔(C)“COM”插孔(D)“VΩmA”插孔。
115. 下列何者為流程圖中,資料的輸入及輸出符號?(A) (B) (C)(D)
116. 電路板上接地線一般使用(A)藍色(B)黑色(C)紅色(D)橙色。
117. 為防止繼電器接點產生之火花,一般均在接點兩端並接(A)電阻器(B)電容器(C)二極體(D)電感器。
118. 能控制與協調在電腦中運作的程式,並提供使用者介面、分配與管理資源、服務與保護等功能的系統,與下列哪項最相關?(A)檔案系統(File System)(B)文書系統(Office System)(C)作業系統(Operating System)(D)程式系統(Programming System)。
119. 電腦資料線內的資料傳輸是雙向性的,但又不能雙向同一時間傳輸,此種傳輸模式稱為(A)單工(B)半雙工(C)雙工(D)分工。
120. 被高溫灼傷送醫前急救的第一個步驟是?(A)用清潔水冷卻、除去局部熱量(B)剝離衣服(C)塗抹醬油(D)塗抹萬金油。
121. 下列自由軟體,何者與Microsoft Word功能最相近?(A)Impress(B)NVU(C)Picasa(D)Writer。
122. 一電阻器標明為100±10%,其電阻值最大可能為(A)90Ω(B)100Ω(C)101Ω(D)110Ω。
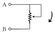
123. 下圖順時鐘(向下)調整可變電阻A、B之間的電阻值(A)愈來愈大(B)愈來愈小(C)不變(D)先小後大。
124. 佛萊銘右手定則又稱為________定則。(A)電動機(B)變壓器(C)發電機(D)發動機
125. 比壓器之負擔係以下列何者做表示?(A)伏特(B)安培(C)伏安(D)瓦特。
126. 下列何種方式,可防止人員感電事故?(A)電氣設備非帶電的金屬外殼接地(B)電氣設備接保險絲(C)電氣設備接電磁開關(D)電氣設備接電容器。
127. 下列四個邏輯閘表示圖,何者為正確? (A) (B) (C) (D)
128. 在Excel中,要計算出儲存格F3、F4、F5、F6、F7中的最小值,則可使用下列哪一項函數?(A)MIN(F3:F7)(B)SUM(F3:F7)(C)AVERAGE(F3:F7)(D)MAX(F3:F7)。
129. 右列BASIC程式經執行後,所得結果何者正確?(A)**(B)***(C)****(D)*****。
130. 微秒是計量電腦速度時常用的微小時間單位之一,請問一微秒等於?(A)千分之一秒(B)十萬分之一秒(C)萬分之一秒(D)百萬分之一秒。
131. 某網站的網址為「https://www.shopping.com.tw」,這表示該網站使用了何種安全機制?(A)線上掃毒(B)SET(C)防火牆(D)SSL。
132. 一般矽二極體工作切入電壓約為(A)0.6V(B)1.6V(C)5V(D)15V。
133. 在VB中,何者可引發DblClick事件?(A)關閉表單(B)以滑鼠雙擊表單(C)以滑鼠拖曳表單(D)表單變成作用中視窗。
134. 在硬體基本架構中,哪二個合稱中央處理單元?(A)控制單元、算術/邏輯單元(B)輸入單元、輸出單元(C)控制單元、記憶單元(D)輸入單元、算術/邏輯單元。
135. 設計VB程式時,若要在表單中放入一張照片,應該使用下列哪一控制項?(A) (B)(C) (D) 。
136. 在Windows XP/7系統下,如果同時開啟多個程式視窗,可以使用哪一個按鍵來切換作用中的視窗?(A) (B) (C) (D) 。
137. 電熱類器具的電熱絲是使用?(A)花線(B)單心線(C)絞線(D)鎳鉻線。
138. 某線圈每分鐘有1.2庫侖的電量通過,則線圈電流為(A)1.2A(B)0.02A(C)2.0A(D)72A。
139. 電表面板上設置鏡面(刻度下方成扇形弧狀)是為了避免下列何種誤差?(A)人為(B)儀器(C)環境(D)電路。
140. 下列哪一種軟體可以支援多人線上共同編輯文件?(A)Microsoft WordPad(B)Microsoft NotePad(記事本)(C)OpenOffice.org Writer(D)Google Docs(Google文件)。
141. 在Windows 7/10 中經常複製及刪除檔案,應定期執行下列何種程式,以整理硬碟空間,讓同一檔案內容能儘量儲存在連續磁區中?(A)磁碟重組工具(B)磁碟壓縮程式(C)病毒掃描程式(D)磁碟掃描工具。
142. 銲錫中的助銲劑主要功能為(A)幫助溫度升高(B)降低熔點(C)去除銲接表面之氧化物(D)加速銲點凝固。
143. 指針型三用電表中非線性刻度是(A)交流電壓(B)交流電流(C)電阻(D)直流電流。
144. 在Visual Basic程式語言的運算式中,可分為算術運算式、字串運算式、關係運算式和邏輯運算式。下列運算式之值何者錯誤?(A)「3^3 + 23」值為50(B)「101\5」值為20.2(C)「"123"+ "1"」值為"1231"(D)「" abc "> " 123 "」值為True。
145. 在Windows XP/7作業系統使用鍵盤選取資料夾中的所有檔案,應使用哪一組按鍵?(A) (B) (C) (D) 。
146. 執行下列Visual Basic運算式,哪一項結果為false?(A)Not (2<>3)(B)"abc">"123"(C)(3>2) Or (4<3)(D)(3>2) And (5>4)。
147. 發光二極體(LED)經常串接電阻R,下列敘述何者不正確?(A)R太小,則LED容易燒毀(B)經LED的電流愈大,LED愈亮(C)R愈大,則LED愈亮(D)流過LED的電流愈小愈不容易燒毀。
148. 下圖是哪一種連接埠?(A)DVI(B)HDMI(C)RJ - 45(D)VGA。
149. 如圖所示電路,當開關S閉合後,電流I應為多少?(A)10A(B)8A(C)5A(D)0A。
150. 由液化石油氣、天然氣、乙炔氣等易燃性氣體所引起之火災是屬於第幾類火災?(A)A類(B)B類(C)C類(D)D類。