所屬科目:國中技藝◆電機電子群
151.白熾燈玻璃燈泡上面所標示的 115V、100W 意義為(A)最低電壓及功率(B)使用 電壓及消耗功率(C)最高電壓及提供功率(D)以上皆非。
152.導電材料中之導電率由高而低依序為 (A)純銅、銀、鋁(B)金、純銅、鋁(C)銀、純銅、金(D)金、銀、純銅。
153.常用低壓屋內配線以採用下列何種導線為宜? (A)絕緣軟銅線(B)絕緣硬銅線(C)鋼心鋁線(D)鐵線。
154.110V、100W 與 110V、40W 的燈泡插在 110V 電源上,100W 的燈泡比較亮,是因為它?(A)電流較大(B)電壓較大(C)電阻較大(D)鎢絲較長。
155.銅線之電阻與(A)截面積成正比(B)長度成正比(C)溫度成反比 (D)電流成正比。
156.檢查電鍋之插頭、電源線、開關是否接觸不良,應使用何種儀表較為簡便?(A)電壓表(B)絕緣電阻計(C)三用電表(D)示波器。
157.保險絲與被保護的電器串接,是為了防止下列何者過大? (A)電流(B)電力(C)電壓(D)電阻。
158.浴室內之插座(A)安裝時位置應遠離浴盆(B)安裝時位置應靠近浴盆(C)不得安裝插座(D)可安裝於任何位置。
159.關於家庭用電安全的敘述,下列何者正確?(A)保險絲耐高溫,可以用來保護線路(B)無熔絲開關自動跳開時,代表線路電壓太高(C)身體潮溼時,不可接觸電源(D)使用延長線可保護線路。
160.日光燈經點燈全亮後,將起動器移開則 (A)亮一段時間後熄滅(B)會發生閃爍(C)燈熄滅(D)照常發亮。
161.電磁爐產生 25kHz 的電磁場,以使得鍋子感應產生渦電流加熱,因此放置在電磁爐上的鍋子必須選用下列何種材質?(A)純玻璃(B)鋁鍋(C)鐵鍋(D)純陶瓷。
162.使用於浴室中的電熱水器,為了防止因漏電而造成災害,電熱水器之電源應使用何種自動斷電裝置?(A)單刀開關(B)漏電斷路器(C)閘刀開關(D)無熔絲開關(NFB)。
163.下列何種照明,較能產生如紅、橙、黃、綠、藍等可見光的照明? (A)LED 照明(B)省電燈泡(C)日光燈(D)白熾燈。
164.何種照明較可能具有無需點燈時間、反應速度快、體積小、低污染等優點? (A)LED 照明(B)省電燈泡(C)日光燈(D)白熾燈。
165.額定電壓 220V 的白熾燈裝接於 110V 電源時,則 (A)燒毀(B)效率提高(C)亮度降低(D)亮度提高。
166.使用吹風機時,時間過長而使吹風機自動停止,但過一段時間又可以再使用,其原因可能為(A)滑動開關接觸不良(B)溫度開關動作(C)二極體不良(D)變壓器不良。
167.電熱器消耗之功率,與其兩端所加之電壓 (A)成正比(B)成反比(C)平方成正比(D)平方成反比。
168.電磁爐是利用(A)感應加熱(B)電阻加熱(C)高頻加熱(D)電熱線加熱。
169.若白熾燈玻璃燈泡上面所標示的 115V、60W 意義為(A)最低電壓需 115伏特以上(B)電流使用 115 安培以上(C)最高電壓 115 伏特時能量消耗為 60 焦耳(D)電壓 115 伏特時能量消耗功率 60 瓦特。
170.日光燈與白熾燈相比較(A)白熾燈壽命較長(B)日光燈需較多附件、起動時間長(C)白熾燈附件多、起動時間長(D)白熾燈電路功率因數較低。
171.日光燈是一種(A)低耗電、發熱少(B)效率低、發熱高(C)高耗電(D)損失大的照明電器。
172. 2 個 1.5V 電池串聯總電壓為 (A)1.5V (B)3V (C)6V (D)4.5V。
173.紅紅黑金的色碼電阻值為 (A)22Ω±5% (B)22Ω±2% (C)220Ω±10% (D)220Ω±5% 。
174.色碼電阻之色碼依次為"黃綠黃金"則此電阻之阻值為 (A)56MΩ±5% (B)560KΩ±5% (C)45MΩ±5% (D)450KΩ±5% 。
175.一電阻器標示為100Ω±5%,其電阻值最大可能為 (A)95Ω (B)100Ω (C)100.5Ω (D)105Ω 。
176.色碼電阻之色碼依次為"棕黑紅金"則此電阻之阻值為 (A)10KΩ±5% (B)100KΩ±5 % (C)1KΩ±5% (D)1MΩ±5% 。
177.有一 470±5%Ω 的色碼電阻則此電阻之色碼依次為 (A)黃黑紅金 (B)黃紫黑金 (C) 黃紫棕金 (D)黃紫紅金 。
178.若一電阻之色碼為"橙白紅銀"則此電阻之阻值應為 (A)3.9KΩ±10% (B)39KΩ±10% (C) 390KΩ±10% (D)3.9MΩ±5%。
179.電阻值10kΩ的k是代表 (A)10的2次方 (B)10的3次方 (C)10的6次方 (D)10的9次方。
180.電容值200μF的μ是代表 (A)10的負3次方 (B)10的負6次方 (C)10的負9次方 (D)10的負12次方。
181.電感值10mH的m是代表 (A)10的負3次方 (B)10的負6次方 (C)10的負9次方 (D)10的負12次方。
182.如圖(9)所示,假設所加電壓V不會將燈泡燒燬,則哪個燈泡最亮? (A)5W (B)60W (C)100W (D)一樣亮。
183.如圖(10)所示,設保險絲最大容許通過電流為5A,負載RL為20Ω/1000W,當開關S閉合時 (A)RL可產生2000W功率 (B)保險絲將燒燬 (C)RL將被燒燬 (D)RL可保持有1000W功率產生。 ( V = I * R )
184.如圖(11)所示,電阻R2上的電流為 (A)1A (B)2A (C)3A (D)4A。
185.歐姆定律乃定義電路中的電流I大小與 (A)該電路的總電阻R成正比 (B)該電路的電動勢E成反比 (C)該電路的電動勢E成正比 (D)該電路的電容C成反比。
186.利用電壓表或電流表量測電路時,其連接方式為? (A)測量電壓、電流均要串聯 (B)測量電壓、電流都要並聯 (C)測量電壓要串聯,測量電流要並聯 (D)測量電壓要並聯,測量電流要串聯。
187.將分別為3Ω、6Ω、9Ω的電阻串聯接起來,其電路總電阻值等於 (A)11Ω (B)15Ω (C)18Ω (D)20Ω。
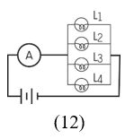
188.電路裝置,如圖(12)所示。L1、L2、L3及L4為四個相同的燈泡。若燈泡L4的燈絲突然斷掉,且安培計的電阻忽略不計,則電池所提供的總電功率有何改變? (A)變大 (B)變小 (C)不變 (D)變為零。
189.將甲、乙兩電阻與3V的電池組連接成如圖(13)的電路,若電池與導線的電阻忽略不計,則下列敘述何者正確?(A)100Ω和50Ω兩電阻互相串聯 (B)甲、乙兩電阻兩端的電壓相等 (C)通過50Ω電流為0.06A (D)電池的電功率為6瓦特。
190.如圖(14)所示,甲、乙、丙三燈泡的電阻大小關係為:甲<乙<丙,則哪一燈泡消耗 的電功率最大?(A)甲 (B)乙 (C)丙 (D)均相同。( P = I 2 * R )
191.電路裝置如圖(15)所示,甲燈泡的電阻為 1Ω,乙燈泡的電阻為 2Ω,電池的總電壓為 3 V。假設電池的內電阻及電路導線的電阻很小可以忽略,則下列敘述何者正確? (A) 過甲燈泡的電流為 1.5 A (B)通過乙燈泡的電流為 1 A (C)甲燈泡的電功率為 3 W (D)乙燈泡的電功率為 4.5 W。( V = I * R) ( P = V2 / R )
192.如果圖(16)中流經電器甲的電流大於流經電器乙的電流,則下列敘述何者正確? (A)電器甲的電阻大於電器乙的電阻 (B)電器甲兩端的電壓大於電器乙兩端的電壓 (C)流經導線 X 處的電流大於流經 Y 處的電流 (D)電器甲每秒消耗的電能大於電器乙每秒消耗的電能。
193.關於導線電阻值的大小,下列述何者正確? (A)和截面積成反比 (B)和長度成反比 (C)和電阻係數成反比 (D)和溫度無關。
194.下列何者不是電阻並聯電路的特性?(A)各電阻之端電壓均相等 (B)各電阻上之電流並不一定相等 (C)電路總電導等於各電阻倒數之和 (D)若其中有一電阻斷路則整個電路形成斷路。
195.下列何者是串聯電路的特性?(A)各電阻之端電壓均相等 (B)各電阻上之電流並不一定相等 (C)電路總電阻等於各電阻之總和 (D)若其中有一電阻斷路,依然會有電流。
196.使用螺絲起子為避免損壞螺絲頭應注意什麼? (A)使用尺寸較大之起子 (B)使用尺寸較小之起子 (C)以手掌心按緊起子末端再旋轉 (D)以手掌緊握起子本體才可旋轉
197.下列何者是電阻的單位?(A)歐姆 (B)焦耳 (C)安培 (D)庫侖。
198.下列何者是電荷量的單位?(A)歐姆 (B)焦耳 (C)安培 (D)庫侖。
199.電池的電壓為 1.5 伏特,表示此電池每提供 2 安培的電流,則此電池所提供電能的電 功率為多少? (A) 1 歐姆 (B) 1.5 伏特 (C) 3 安培 (D) 3 瓦特。
200.小明使用延長線連接家用 110 V 的電源插座,延長線最大的輸出電流為 25 安培,若延長線上連接數臺 1000 W 的電熱器,試問最多能同時使用幾臺電熱器? (A) 1 臺 (B) 2 臺 (C) 3 臺 (D) 27 臺。