所屬科目:船用電學與電機機械
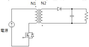
1. 如下圖所示返馳式轉換器(flyback converter),其輸入電壓為60V,責任週期為0.4,N2/N1=10,且變壓器磁化電感電流為連續時,其電力電子開關耐壓電壓約為下列何者?(A) 60V(B) 100V(C) 200V(D) 400V
2. 下列何者可直接作為交流電壓控制器元件,以控制交流功率?(A) MOSFET(B) IGBT(C) SCR(D) TRIAC
3. 脈寬調變(PWM)DC-DC轉換器中,功率開關於一週期內導通時間的比例稱為(A) 元件週期(B) 開關週期(C) 責任週期(D) 轉換週期
4. 一單相受控全波整流器供應一負載,電源為110V,60Hz之電壓,負載為10歐姆電阻,閘流體之延遲角為45o,則其功率因數約為? (A) 0.707 (B) 0.85 (C) 0.95 (D) 1
5. 單相全橋式變頻器(inverter)採用方波切換,其輸出電壓為如下圖所示之方波電壓,則輸出電壓之總諧波失真約為何? (A) 24% (B) 33% (C) 48% (D) 62%
6. 下圖所示為一串聯諧振式DC-DC轉換器,若Vs=100V,Lr=30H,Cr=0.08F,RL=10歐姆 ,功率開關切換頻率為120kHz,試問輸出電壓Vo約為多少? (A) 60V (B) 50V (C) 40V (D) 30V
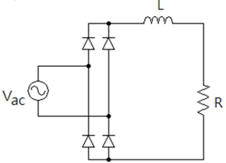
7. 下圖所示整流電路,Vac為120V、60Hz交流電源,R=5歐姆,L=10mH,C=1mF,求電感平均電流約為多少? (A) 21.6A (B) 24A (C) 27.2A (D) 33.9A
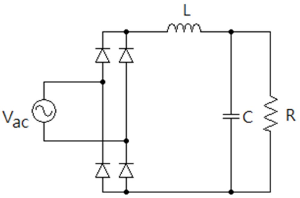
8. 下圖所示整流電路,Vac為120V、60Hz交流電源,串聯負載為R=10歐姆,L=10mH,求負載吸收之平均電流約為多少?(A) 7.6A(B) 8.4A(C) 9.5A(D) 10.8A
9. 下圖為所示為達靈頓電路架構之雙極性接面電晶體,其有效的電流增益為何?(A) Q1與Q2電流增益之和(B) Q1與Q2電流增益之積(C) Q1之電流增益(D) Q2之電流增益
10. 下圖所示為一電晶體之截止緩衝器(turn-off snubber)電路,下列敍述何者有誤?(A) 截止緩衝器電路可減小電晶體導通之切換損失(B) R可限制電晶體導通時C之放電電流(C) C的儲能大部分消耗在R(D) 電晶體截止瞬間D導通,C可減緩電晶體電壓上升速度
11. 新造船之發電機廠試當中的溫昇試驗須於額定負荷運轉多久之後,溫度穩定時量測之?(A) 1小時(B) 2小時(C) 3小時(D) 直到最後穩定溫度為止。
12. 下列何種控制電動機轉速之方法係藉由調整外激式發電機的磁場電流即可改變外激式電動機之電樞電壓而達到控制電動機轉速之效果? (A) 複壓控制方式 (B) 華德黎翁那德(Ward Leonard)控速法 (C) 電樞電阻控制法 (D) 磁通控速法
13. 瓦特計在直流電路中相當於哪兩種電力計器組合之組合電計?(A) 功率因數計與安培計(B) 伏特計與安培計(C) 伏特計與功率因數計(D) 安倍計與頻率計
14. 電力計器之主要構件可分為哪三大部份?(A) 驅動裝置、控制裝置及自動裝置(B) 驅動裝置、控制裝置及制動裝置(C) 驅動裝置、溫控裝置及手動裝置(D) 驅動裝置、調頻裝置及制動裝置
15. 電力計器依量測結果所顯示方式以何種方式使用最多?(A) 指示式(B) 數位式(C) 記錄式(D) 積算式
16. 關於庫侖靜電定理之關係,兩帶電體之作用力哪一個是錯誤的?(A) 與個別帶電體帶電量乘積成正比(B) 與介質之介電係數成正比(C) 與兩帶電體距離平方成反比(D) 作用力為正時,代表相斥力
17. 如下圖所示,全部電阻值皆為4Ω,電壓源為4V,求右邊開路+-兩端負載之諾頓等效電路之等效電阻Rth和等效電流Isc為何? (A) Rth=12Ω、Isc=0.3A (B) Rth=12Ω、Isc =0.2V (C) Rth=11Ω、Isc =2/11V (D) Rth=11Ω、Isc =1/11A
18. 一個交流電路其功率因數為0.6,其實功率(有效功率)為6kW,其虛功率(無效功率)為何?(A) 10kVAR(B) 8kVAR(C) 6kVAR(D) 4kVAR
19. 一個方波電流訊號其半個周期為10A,半個周期為0A,其有效值(均方根)為何?(A) 5A(B)(C) 10A(D)
20. 一個電容器其電容值為1μF,接於110V、60Hz交流電源上,求其能提供的實功率(平均功率)大約為何? (A) 4.56W (B) 0.456W (C) 0.0456W (D) 0W
21. 下列哪一個材料是負溫度係數(溫度上升電阻下降)?(A) 銅(B) 鐵(C) 半導體(D) 鎢
22. 一般正常使用情況下,雙極性接面電晶體(BJT)運作是採用何種方式?(A) 電壓放大(B) 電流放大(C) 電流控制電壓(D) 電壓控制電流
23. 磁性材料鐵為了減少哪一種損失,會將鐵材料切成矽鋼片來使用?(A) 磁滯損失(B) 渦流損失(C) 銅損失(D) 摩擦損失
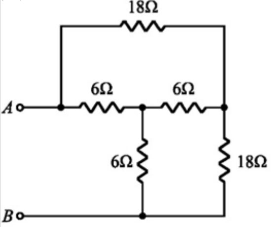
24. 如下圖所示,求AB兩端電阻的大小為何?(A) 18Ω(B) 16Ω(C) 12Ω(D) 9Ω
25. 如下圖所示,其中vi是輸入,vo是輸出,圖中電路是哪一種放大電路?(A) 共閘極(CG)放大電路(B) 共源極(CS)放大電路(C) 共汲極(CD)放大電路(D) 射極隨耦放大電路
26. 如下圖所示,當一個磁鐵由右邊快速靠近線圈,線圈兩端會有感應電壓產生,其感應電壓之極性由下列哪一個定理來決定? (A) 法拉第定理 (B) 楞次定理 (C) 安培右手定理 (D) 螺線管定理
27. 根據佛萊銘左手定則,一個線圈在一個固定磁場中,流入相同電流,其產生之力量的大小會有不同,產生之力量的大小主要與下列哪一項相關? (A) 磁場大小 (B) 速度大小 (C) 溫度 (D) 磁場與電流流向的夾角
28. 一個變壓器的額定容量為100kVA,負載之功率因數為0.81,滿載鐵損為4kW、滿載銅損為5kW,求其滿載之效率為何?(A) 91%(B) 90%(C) 81%(D) 80%
29. 有一個線圈其匝數為5匝,當電流增加2A時,其磁通量會增加4Wb,若此2A電流在0.5秒降為0,求其感應電壓的大小為何? (A) 160V (B) 80V (C) 40V (D) 20V
30. 直流電動機具有下列哪兩大特性?(A) 速度容易控制及價格便宜(B) 速度容易控制及起動轉矩大(C) 啟動傳矩大及價格便宜(D) 價格便宜及不容易故障
31. 基於安全的考量,以柴油機為原動機帶動的發電機,其柴油機本身就具有三項的安全保護,下列何者為非? (A) 滑油低壓跳脫 (B) 缸套水高溫跳脫 (C) 超速跳脫 (D) 燃油洩漏跳脫
32. 空氣斷路器內的接點裝置中,其功能為承擔電路的正常電流指的是何者?(A) 主接點(B) 端接點(C) 滅弧接點(D) 雙接點
33. 用來指示發電機並聯時,欲併入發電機其電壓頻率及相關條件是否滿足並聯的要求,協助手動並聯時同步與否的重要指示儀器。上述指的是哪種裝置? (A) 瓦特計及電流錶 (B) 同步指示燈及同步指示器 (C) 電壓錶及功率因數錶 (D) 功率因數錶及頻率錶
34. 對於某些重要之負載,例如舵機,供電方式為何?(A) 由主配電盤直接供電(B) 由應急電源直接供電(C) 蓄電池直接供電(D) 無需電力
35. 有關主配電盤之必要條件,以下何者為非?(A) 高度安全性(B) 外觀優美(C) 不必考慮操作便利性(D) 不易發生故障
36. 蓄電池之容量單位以什麼表示之?(A) 安培小時(B) 千瓦小時(C) 焦耳(D) 歐姆
37. 有關於電纜遮蔽之敘述,何者有誤?(A) 若未實施接地的話,則將其視為活線但不帶電(B) 若電纜銅帶兩端都接地,則會有銅帶環流讓電纜產生發熱(C) 在一條電纜中,在其中一端電纜銅帶接地為原則,另一端不可接地(D) 電纜銅帶,是一整條全部遮蔽著電纜,且接地環或接地線做第一種接地
38. 不同高壓電氣設備對絕緣油的需求也不盡相同,下列設備所對應之需求何者不當?(A) 電容器:絕緣、消弧、冷卻(B) 變壓器:絕緣、冷卻(C) 斷路器:絕緣、消弧、冷卻(D) 電纜:絕緣、冷卻
39. 有關於機電破壞(Electromechanical Breakdown)之敘述,何者正確?(A) 在極短時間內,絕緣材料之介電強度到達其材料之本質介電強度(B) 當外加電壓出現在絕緣材料表面的電荷引力,超過材料本身之機械壓縮強度,使材料將破碎(C) 由累增作用所產生,電子經碰撞而傳遞獲能量所造成(D) 由電子在瞬間被大量的由其價帶拉至導電帶所造成
40. 對於指針型頻率錶之敘述何者有誤? (A) 可區分為電流力計型與整流型 (B) 電流電力型為電橋因頻率偏差所產生的不平衡電流,流過可動線圈後產生一轉矩使得指針指示出現值 (C) 電流電力型主要應用於高頻的測定 (D) 整流型是利用流路變換器隨著頻率的改變之直流電流變化量,間接讀出指示值