阿摩線上測驗
登入
首頁
>
技檢◆電腦硬體裝修-乙級
> 114年 - 12000 電腦硬體裝修 乙級 工作項目 05:裝修及控制應用 101-150(2025/12/16 更新)#134982
114年 - 12000 電腦硬體裝修 乙級 工作項目 05:裝修及控制應用 101-150(2025/12/16 更新)#134982
科目:
技檢◆電腦硬體裝修-乙級 |
年份:
114年 |
選擇題數:
50 |
申論題數:
0
試卷資訊
所屬科目:
技檢◆電腦硬體裝修-乙級
選擇題 (50)
101. 下圖電路中流過 R3 電阻的電流為下列何者?
(A)0.3mA (B)0.5mA (C)1.2mA (D)1.5mA 。
102. 一輛使用 12V 電源之汽車,採用功率為 48W 之大燈,此大燈之燈絲內阻為多少歐姆? (A)10 歐姆 (B)6 歐姆 (C)4 歐姆 (D)3 歐姆 。
103. 下圖電路中集極與射極之間的電壓 V
CE
為下列何者?
(A)3.3V (B)3.8V (C)4.7V (D)5.3V 。
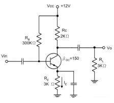
104. 下圖電路中電晶體集極與射極之間的電壓 VCE為下列何者?
(A)6.7V (B)5.0V (C)4.3V (D)3.4V 。
105. 下圖電路中電晶體集極與射極之間的電壓 VCE約為下列何者?
(A)8.6V(B)10.7V (C)11.3V (D)12.8V 。
106. 下圖電路在室溫下由基極(Rin(base))看入的輸入阻抗約為多少歐姆?
(A)0.94KΩ (B)1.25KΩ (C)12.5KΩ (D)24KΩ 。
107. 下圖電路由 Vin 端看入的總輸入阻抗約為多少歐姆?
(A)0.625KΩ (B)2KΩ (C)2.4KΩ (D)12KΩ 。
108. 下圖電路圖示中從基極看入的輸入電阻約為多少歐姆?
(A)2.25KΩ (B)22KΩ (C)124KΩ (D)202KΩ 。
109. 下圖電路中小信號由基極加入 1mV,在輸出端 Vo 可獲得多少電壓?
(A)98mV (B)108mV (C)240mV (D)276mV 。
110. 有關 LCR 串聯諧振電路中,下列敘述哪一個不正確? (A)諧振頻率與電感有關 (B)諧振頻率與電容有關 (C)諧振頻率與電阻有關 (D)容抗與感抗相同 。
111. 一個三級放大電路中,各級放大增益分別為 20、30、40,則電壓總增益為下列何者? (A)90 (B)1800 (C)2400 (D)24000 。
112. 下圖電路為一個電壓調整器,調整後的 Vo 輸出電壓為下列何者?
(A)5V(B)7.5V (C)15V (D)25V 。
113. 電晶體線性放大電路工作點應選擇在下列哪一區? (A)崩潰區 (B)飽和區(C)截止區 (D)工作區 。
114. 已知某一交流信號的週期是 2.5 秒,其頻率為下列何者? (A)4Hz (B)2.5Hz (C)0.4Hz (D)0.04Hz 。
115. 下圖所示電路為何種電路?
(A)低通電路 (B)高通電路 (C)帶通電路 (D)帶拒電路 。
116. 放大電路增益等於 1 時的頻率稱為 (A)單位增益頻率 (B)中段範圍頻率 (C)角頻率(Corner Frequency) (D)轉折頻率 。
117. 具有負回授的放大電路可以 (A)增加輸入和輸出的阻抗 (B)增加輸入阻抗及頻寬 (C)減少輸出阻抗和頻寬 (D)不影響輸入阻抗與頻寬 。
118. 電路採用負回授時,運算放大器增益與頻寬的乘積呈現下列何種關係?(A)增加 (B)減少 (C)維持不變 (D)不穩定 。
119. 磁滯現象的比較器具有下列何種特徵? (A)有一個觸發點 (B)有兩個觸發點 (C)有一個可改變的觸發點 (D)像一個有磁性的電路 。
120. 運算放大器的微分電路,其回授元件為下列何者? (A)電阻器 (B)電容器(C)稽納二極體 (D)分壓器 。
121. 運算放大器的微分電路加入三角波時,其輸出為 (A)反轉三角波 (B)三角波的一階諧波 (C)正弦波 (D)方波 。
122. 有關帶通頻率響應的敘述,下列哪一個正確? (A)具有兩個臨界頻率 (B)具有一個臨界頻率 (C)通帶是平坦的曲線 (D)具有很寬的頻寬 。
123. 帶通濾波器的品質因數(Q)是由下列何者決定? (A)由頻寬單獨決定 (B)由中心頻率以及頻寬決定 (C)只有中心頻率 (D)臨界頻率 。
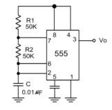
124. 下圖 IC 555 組成的方波振盪電路,其輸出信號的工作週期為下列何者?
(A)33.3% (B)50% (C)66.67% (D)75.0% 。
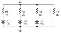
125. 下圖電路流過 R4 電阻 6KΩ的電流為下列何者?
(A)0.3mA (B)0.667mA(C)1.20mA (D)1.40mA 。
126. 下圖電路的輸入電壓假設為 10V,則下列敘述哪一個不正確?
(A)本電路是一個電壓調整器電路 (B)假設 Iref 小到可以忽略,其輸出電壓約為 0V(C)如果想要在輸出端獲得+5V 電壓輸出,則要將 R2 短路 (D)將 R2 的電阻改用可變電阻則可以改變輸出的電壓 。
127. 韋恩振盪器的正回授電路是由下列何者組成? (A)LC 電路 (B)分壓器電路(C)超前-滯後電路 (D)RL 電路 。
128. 一個運算放大器,用來作為電壓放大時,共模放大率為 0.35,差動放大率為 3500,則其 CMRR 為下列何者? (A)1225 (B)10000 (C)40db (D)60db 。
129. 下列有關臨界頻率(Critical frequency)的敘述,哪一個不正確? (A)臨界頻率又稱為截止頻率(Cut off frequency) (B)臨界頻率又稱為角頻率(Corner frequency) (C)輸出功率降低到中段功率 70.7%的頻率 (D)輸出電壓增益下降到中段範圍電壓增益-3db 的頻率 。
130. 下列哪一項敘述不是理想運算放大器的特性? (A)輸入阻抗無限大(Zin=∞) (B)輸出阻抗趨近於零(Zout=0) (C)開迴路增益無限大(Ad=∞)(D)共模排斥比(CMRR)趨近於零 。
131. JFET 之工作原理是控制 (A)接面空乏區的厚度 (B)通道中載子的濃度 (C)通道之導電係數 (D)流過通道的電壓值 。
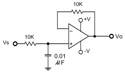
132. 下圖電路為哪一型式的濾波電路?
(A)高通濾波器 (B)低通濾波器 (C)帶通濾波器 (D)帶拒濾波器 。
133. 有關下圖電路的敘述哪一個正確?
(A)一階高通濾波器其截止頻率為1.59MHz (B)一階低通濾波器,其截止頻率為 1.59KHz (C)二階高通濾波器其截止頻率為 1.59KHz (D)二階低通濾波器,其截止頻率為 1.59MHz 。
134. 下列振盪電路中,哪一個較適合產生高頻信號? (A)哈特萊振盪器 (B)RC移相振盪器 (C)韋恩振盪器 (D)雙 T 型振盪器 。
135. 運算放大器的積分電路,其回授元件為下列何者? (A)電阻器 (B)電容器(C)稽納二極體 (D)分壓器 。
複選題
136. 關於「零時差攻擊(Zero-day Attack)」之敘述,下列何者正確? (A)因為是軟體程式出現漏洞,所以使用者無法做什麼事情來防止攻擊 (B)可以透過掃毒或防駭等軟體機制來確保攻擊不會發生 (C)使用者看到軟體官方網站或資安防治單位發布警訊,應該儘快更新版本 (D)主要是針對原廠來不及提出修補程式弱點程式的時間差,進行資安攻擊 。
複選題
137. 下列何者為使用即時通訊軟體應有的正確態度? (A)對不認識的網友開啟視訊功能以示友好 (B)熟人傳過來的檔案立即開啟接收 (C)不任意安裝來路不明的程式 (D)不輕信陌生網友的話 。
複選題
138. 對於電腦病毒的防治方式,下列敘述何者正確? (A)電腦上加裝防毒軟體(B)只要將被感染之程式刪除就不會再被感染 (C)定期更新病毒碼 (D)不使用來路不明之軟體 。
複選題
139. 有關網路防火牆之描述,下列何者正確? (A)能有效避免員工將內部機密文件傳送出去 (B)經由封包過濾可阻擋來自特定來源 IP 的連線 (C)能阻擋外來的入侵者對內部網路的掃描 (D)必要時可以使用翻牆軟體 。
複選題
140. 綠色電腦的主要特色包括? (A)省電 (B)低幅射 (C)低污染 (D)價廉與美觀 。
複選題
141. 檢查牆上之電源插座是否有電,下列選項中,何者為不適當的方法? (A)以電流表量其短路電流 (B)以歐姆表量其接觸電阻 (C)以電壓表量其開路電壓 (D)以三用電表之 DCV 檔測量 。
複選題
142. 下列何者可做為過電流的保護裝置? (A)保險絲 (B)斷路器 (C)積熱熔絲 (D)銅線 。
複選題
143. ISMS(Information Security Management System)的管理責任包括? (A)建立政策與目標 (B)建立資訊安全的權責 (C)決定資訊風險評估的方法 (D)執行管理審查 。
複選題
144. 下列軟體中,何者具有簡報功能? (A)Keynote (B)Power Shell (C)Impress(D)Prezi 。
複選題
145. 下列軟體中,何者具有繪圖功能? (A)Notepad (B)Picasa (C)Wmplayer (D)PhotoImpact 。
複選題
146. 下列軟體中,何者具有檔案上傳功能? (A)FileZilla (B)FlashGet (C)Hangouts (D)Twitter 。
複選題
147. 下列軟體中,何者具有影音編輯功能? (A)FlashGet (B)Adobe Premiere (C)Pascal (D)Windows Movie Maker 。
複選題
148. 下列軟體中,何者具有防毒解毒功能? (A)PC-cillin (B)NOD32 (C)Notepad(D)Prezi 。
複選題
149. 下列軟體中,何者具有電子試算表功能? (A)Office 365 (B)Google+ (C)Page maker (D)Linux Calc 。
複選題
150. 下列軟體中,何者具有影音媒體播放功能? (A)KMPlayer (B)FlashGet (C)Wmplayer (D)RealPlayer 。
申論題 (0)
相關試卷
114年 - 12000 電腦硬體裝修 乙級 工作項目 06:資訊安全措施 1-41(2025/12/16 更新)#134984
114年 · #134984
114年 - 12000 電腦硬體裝修 乙級 工作項目 05:裝修及控制應用 151-171(2025/12/16 更新)#134983
114年 · #134983
114年 - 12000 電腦硬體裝修 乙級 工作項目 05:裝修及控制應用 51-100(2025/12/16 更新)#134981
114年 · #134981
114年 - 12000 電腦硬體裝修 乙級 工作項目 05:裝修及控制應用 1-50(2025/12/16 更新)#134980
114年 · #134980
114年 - 12000 電腦硬體裝修 乙級 工作項目 04:工作方法 151-191(2025/12/16 更新)#134979
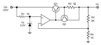
114年 · #134979
114年 - 12000 電腦硬體裝修 乙級 工作項目 04:工作方法 101-150(2025/12/16 更新)#134978
114年 · #134978
114年 - 12000 電腦硬體裝修 乙級 工作項目 04:工作方法 51-100(2025/12/16 更新)#134977
114年 · #134977
114年 - 12000 電腦硬體裝修 乙級 工作項目 04:工作方法 1-50(2025/12/16 更新)#134976
114年 · #134976
114年 - 12000 電腦硬體裝修 乙級 工作項目 03:儀表、軟體及一般工具 151-210(2025/12/16 更新)#134975
114年 · #134975
114年 - 12000 電腦硬體裝修 乙級 工作項目 03:儀表、軟體及一般工具 101-150(2025/12/16 更新)#134974
114年 · #134974