阿摩線上測驗
登入
首頁
>
建築結構系統
> 95年 - 95 專技高考_建築師:建築結構#49504
95年 - 95 專技高考_建築師:建築結構#49504
科目:
建築結構系統 |
年份:
95年 |
選擇題數:
0 |
申論題數:
6
試卷資訊
所屬科目:
建築結構系統
選擇題 (0)
申論題 (6)
【已刪除】一、請以簡圖示意說明圖 1(a)、(b)受水平外力 P 時之作用其二結構行為有何不同?(15 分) 並說明其不同的考慮點。(10 分)
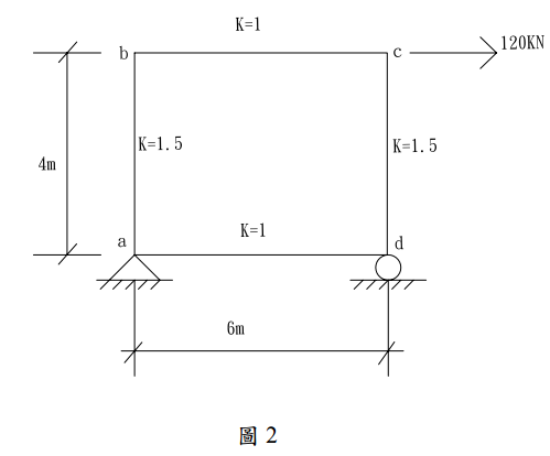
【已刪除】二、分析圖 2 剛構架,並繪製彎矩圖(10 分)、剪力圖(5 分)、軸力圖(5 分)及變 形示意圖(Elastic curve)(5 分)。
⑴請繪製 B1、B2、B3 梁之彎矩示意圖、剪力示意圖與變形示意圖?(10 分)
⑵請以圖示表示 B2 梁何處為符合結構行為之鑽心範圍?(5 分)
⑶請說明選取鑽心範圍之原因。(10 分) × 圖3
四、固定拱、二鉸拱、三鉸拱之結構行為有何差異?(10 分)如何應用於建築結構中? (15 分)
相關試卷
114年 - 114 專技高考_建築師:建築結構#133658
114年 · #133658
114年 - 114 公務升官等考試_薦任_建築工程:建築結構系統#133157
114年 · #133157
113年 - 113 臺灣菸酒股份有限公司_評價職位人員轉任職員甄試試題_建築工程(北一區)_專業科目 1:建築結構系統、建築構造施工#137380
113年 · #137380
113年 - 113-2 國營臺灣鐵路股份有限公司_從業人員甄試試題_第9階-技術員-建築工程:建築結構系統概要#137152
113年 · #137152
113年 - 113-2 國營臺灣鐵路股份有限公司_從業人員甄試_第8階-助理工程師-建築工程:建築結構系統#137128
113年 · #137128
113年 - 113 國營臺灣鐵路股份有限公司_從業人員甄試_第 8 階-助理工程師-建築工程:建築結構系統#137101
113年 · #137101
113年 - 113 專技高考_建築師:建築結構#123947
113年 · #123947
112年 - 112 臺灣菸酒股份有限公司_評價職位人員轉任職員甄試試題_從業職員_建築(土木)工程_專業科目 1:建築結構系統、建築構造施工#137423
112年 · #137423
112年 - 112 地方政府特種考試_三等_建築工程:建築結構系統#118181
112年 · #118181
112年 - 112 專技高考_建築師:建築結構#117513
112年 · #117513