阿摩線上測驗
登入
首頁
>
建築圖學
> 96年 - 96 普通考試_建築工程:建築圖學概要#37477
96年 - 96 普通考試_建築工程:建築圖學概要#37477
科目:
建築圖學 |
年份:
96年 |
選擇題數:
0 |
申論題數:
13
試卷資訊
所屬科目:
建築圖學
選擇題 (0)
申論題 (13)
一、填充題:(每小題 4 分,共 40 分)
⑴依中國國家標準建築製圖其圖號 P 代表①圖。
⑵結構圖標示 RB7 其中“B"所代表的意義表示 ②。
⑶供集合住宅使用的建築物,其每層的樓地板面積超過 ③ m
2
,則需設置兩座 以上的直通樓梯通達避難層或地面。
⑷建築電氣設備圖例中,電燈總配電盤用 ④ 來表示。
⑸比例尺 1/50 的圖樣,用比例尺 1/100 量度,尺上讀數是原來的 ⑤ 倍。
⑹汽車坡道之坡度不得大於 ⑥ 。
⑺都市計畫使用分區圖中, ⑦ 區是以褐色外框表示。
(8)建築圖面上標示 C.C.L.為 ⑧ 。
(9)建築電氣設備圖例中 表示 ⑨ 。
(10)依法規規定設置停車空間,其平面停車位之尺寸為 ⑩ 。
二、請以圖示說明繪製一雙拼住宅標準層平面的繪製步驟。(20 分)
【已刪除】三、請依下列俯視圖(圖一)、前視圖(圖二)、繪製左側視圖 (10 分)。然後,再 依圖一、圖二及完成之左側視圖,繪製一消點透視圖(10 分)(各項尺寸請由圖中 直接量測)。
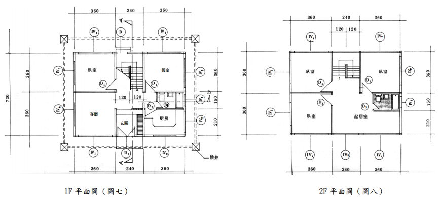
【已刪除】四、二層木造休閒小屋正向立面圖(圖三)、左側立面圖(圖四)、背向立面圖(圖五)、 右側立面圖(圖六)、1F 平面圖(圖七)、2F 平面圖(圖八)(單位:公分), 請繪製 AA 剖面圖(Scale:1/30)(各項尺寸請由圖中標示尺寸換算)。(20 分)
相關試卷
114年 - 114 地方政府公務、離島地區公務特種考試_四等_建築工程:建築圖學概要#134698
114年 · #134698
114年 - 114 普通考試_建築工程:建築圖學概要#128738
114年 · #128738
113年 - 113 地方政府公務特種考試_四等_建築工程:建築圖學概要#124363
113年 · #124363
113年 - 113 普通考試_建築工程:建築圖學概要#121118
113年 · #121118
112年 - 112 地方政府特種考試_四等_建築工程:建築圖學概要#118001
112年 · #118001
112年 - 112 普通考試_建築工程:建築圖學概要#115732
112年 · #115732
112年 - 112 鐵路特種考試_員級_建築工程:建築圖學概要#114920
112年 · #114920
111年 - 111 地方政府特種考試_四等_建築工程:建築圖學概要#112347
111年 · #112347
111年 - 111 普通考試_建築工程:建築圖學概要#109480
111年 · #109480
110年 - 110 地方政府特種考試_四等_建築工程:建築圖學概要#104833
110年 · #104833