阿摩線上測驗
登入
首頁
>
水利會◆電工概要
> 97年 - 97 農田水利會新進職員聯合統一考試_灌溉管理人員電機組:電工概要#28403
97年 - 97 農田水利會新進職員聯合統一考試_灌溉管理人員電機組:電工概要#28403
科目:
水利會◆電工概要 |
年份:
97年 |
選擇題數:
10 |
申論題數:
14
試卷資訊
所屬科目:
水利會◆電工概要
選擇題 (10)
1.有一金屬導線直徑為 4mm、長 1600mm,已知其電阻值為 8Ω,如果以相同材質製成直2000mm 的導線,則此導線的電阻值為 (A)8.00 (B)5.12 (C)6.40 (D)10.00 Ω。
2.有一 10KW 的抽水馬逹,效率為 70%,若該馬逹每天運轉 9 小時,一個月使用 20 天, 如果每度電費為 1.5 元,則每個月浪費的電費為 (A)1080 (B)810 (C)540 (D)1890 元。
3.當 R-L-C 串聯電路諧振時,
,下列何者正確? (A) 品質因數 Q
S
= R/(2πf
0
C) (B) 品質因數 Q
S
= (2πf
0
C)/R (C) 頻寬 B.W. = f
0
/Q
S
(D) 頻率越高,選擇 性越好。
4.如下圖所示電路之開關在閉合很久以後(假設已達穩態),於時間 t = 0 時啟斷,求啟斷 瞬間電感器電流 IL(t)之值為
(A) 1 (B) 3 (C) 0 (D) 5 A。
5.下列敘述何者正確? (A) Y 接負載中線電流和相電流相同,且線電壓和相電壓相同 (B) Y 接負載中線電流和相電流相同,但線電壓為相電壓的 √ 3倍 (C) Y 接負載中線電 壓和相電壓相同,但線電流為相電流的√ 3倍 (D) Y 接負載中線電流為相電流的 √ 3倍, 且線電壓為相電壓的√ 3倍。
6.為避免散亂磁場對精密儀器造成干擾,通常在儀器週遭加上金屬外殼藉以導引集中磁 力線,使磁力線儘量不通過儀器本體,此稱為(A)磁化 (B)磁感應 (C)磁滯 (D)磁屏 蔽。
7.一電池以三用電表被測出其開路端電壓為 12.6(V),當電池連接到 12 歐姆電阻時,電 池輸出端電壓降為 12(V),則電池內電阻為 (A)2 (B)1 (C)0.6 (D)0.5 Ω 。
複選題
8.如下圖所示之,接點邏輯電路,其布林邏輯表示式為:
(A) Y=(X
1
.X
2
+ X
3
).X
4
(B) Y=[( X
1
+ X
2
).X
3
] + X
4
(C) Y=(X
1
.X
2
+ X
3
) .X
4
(D) Y=[(X
1
+ X
2
).X
3
] + X
4
9.某一單相交流電氣負載,其端電壓V=141.4 sin(314t) ,負載電流I=14.14 sin(314t-53.13°),則該電氣負載之有效功率為 (A)600 (B)800 (C)1000 (D)848 瓦特。
10.一鐵心環,其鐵心之導磁係數為 6.283 x 10
-4
(Wb/AT.m),載面積為 10(cm2 ),磁路 長度 100(cm),線圈匝數 5000 匝,線圈電阻 40Ω,若線圈電流為4mA,則鐵心環內部 磁路磁場強度為 (A) 25 (B) 20 (C) 15 (D)10 (AT/m)
申論題 (14)
二、 填充題(每格 3 分)
1.兩電感器 L1、L2串聯,得總電感量為 12×10
-3
H,若將其中一電感器之接線反接,得電感 量為 8×10
-3
H,則兩電感器間之互感量為
(A)
mH。若 L1 = 2×10
-3
H,則耦合係數 為
(B)
。
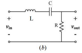
【已刪除】2.下圖(a)所示電路為
(C)
濾波器;而圖(b)所示電路則為
(D)
濾波器。
3.有一負載回路,為了測量其電路參數R及X,在其二端連接上正弦交流電壓V=100(V), 頻率 60(Hz)之電源,並用電流表測出電流I=2(A),功率表測出為 160(W),則該電路參數 R為
(E)
(歐姆),X為
(F)
(歐姆)。
4.兩電阻器之電壓規格均為 60(V),其電功率分別為 120 及 360(W),今將兩電阻器共同串聯 於 60(V),則其總消耗電功率為
(G)
瓦特。
5.某單相交流 220V 電氣設備其功因為 0.8,需要 20(KW)的電力,則電力公司至少需提供
(H)
(VA)的電源容量。
6.無效電力的單位是
(I)
。
【已刪除】7.如下圖所示電路,求出電源 E 所提供之電功率為
(J)
(W)。
三、 計算題(每題 10 分)
(a) R 應為多少歐姆?
(b) 通過 R 之電流 I 為多少安培?
(c) 最大功率 P 為多少瓦特?
【已刪除】2. 如下圖所示之電路,電路經長時間已以達穩態,當 t = 0 時,將開關打開,則 v
ab
(t = 0− ) 與 v
ab
(t = 0
+
)之值為何?
【已刪除】3. 如下圖所示電路,在 t=0 時,已知Vc(0
-
)=1(V),此時將開關 S 閉合,求出Vc(t)及I(t) 數學表示式。
【已刪除】4. 如下圖所示電路,相依電流源 i
x
比例於V
x
,已知 i
x
=2V
x
,求出流經 4Ω之電流 i。
5. 某單相交流電氣設備之負載功率為 12(KW),功率因數為 0.8 落後,設備電壓為 200(V)。 在該用電設備與電力公司之間的傳輸線總電阻為 1 Ω,若改善其功率因數為 1,則用 戶會比原來減少多少瓦特的輸電損失?
相關試卷
102年 - 102 農田水利會新進職員聯合統一考試_灌溉管理人員-電機組:電工概要#28395
102年 · #28395
92年 - 92 農田水利會新進職員聯合統一甄試試題_電機人員:電工概要#106976
92年 · #106976