阿摩線上測驗
登入
首頁
>
設施規劃概要
> 98年 - 98 高等考試_三級_工業工程:設施規劃#32633
98年 - 98 高等考試_三級_工業工程:設施規劃#32633
科目:
設施規劃概要 |
年份:
98年 |
選擇題數:
0 |
申論題數:
12
試卷資訊
所屬科目:
設施規劃概要
選擇題 (0)
申論題 (12)
一、系統設施規劃法 SLP(Systematic Layout Planning, By Richard Muthur)中之 AEIOUX 及 PQRST 各代表何意?作什麼用?請說明之。(10 分)
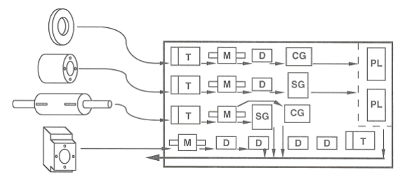
【已刪除】二、某工廠之佈置如下圖,其符號如下所示: T:車床 M:銑床 D:鑽床 SG:表面研磨機 CG:柱型研磨機 PL:電鍍機 請問此為何種佈置?說明此類型佈置之有利及不利之使用情境。(10 分)
三、已知三個廠址,其固定成本和變動成本分別為 A(20,000,50)、B(40,000,30)、 C(80,000,10),請建立選擇廠址的原則。(10 分)
【已刪除】四、茲假定某產品之製造過程可分為下列 5 個工作站依序排列: 假設站間之搬運時間可忽略,試求該生產線之生產週期時間,及產距時間(takt time)。(10 分)
五、某工廠生產零件,以塑膠箱為載具,使用於生產與儲存上。塑膠箱之容量為 0.1 立 方公尺,每月之零件產量為 200 立方公尺。平均而言,零件在塑膠箱中停留 20 天。 每只塑膠箱約只裝了九分滿。需要多少塑膠箱才能滿足每月的生產需求。(10 分)
六、某產品全部採人工組裝,其先後製程程序如下圖。其旁之數字為該製程所需之標準 時間以秒計。假設該生產線每日工作 10 小時需生產 500 件,試求該生產線之產距 時間(takt time)及最小工作站數。並依後續作業數為優先序選派,將工作分配到 各工作站以力求工作站平衡。(顯示各工作站分配那些工作)(20 分)
七、在電腦組裝業中,最主要的瓶頸階段為表面黏著技術,這種將半導體元件以表面黏 著方式,安置在印刷電路板的技術其簡化的四個製程及其需求製程時間如下表 今有一工廠其每班生產時間為 8 小時,生產 500 片電路板組裝,假設: ⑴一片電路板上有 1200 個元件需由取置機進行放置。
⑵如圖一,電路板進入迴焊爐如汽車之排隊進入山洞。迴焊爐中可同時容納 4 片板 子,每片在爐中之全部時間為 40 秒。
⑶測試機每台以批次(batch)方式測試電路板,每批二片。 問題:
⑴在單一條生產線中,其生產線產距時間(takt time)為何?(8 分)
⑵計算各機台等效週期時間,工作站之等效週期時間,及各工作站之應採用機台數。 (12 分)
⑶計算此生產線的平衡效率。(以 Balance Delay 表之)(10 分)
相關試卷
115年 - 115-1 中國工業工程學會_工業工程師等相關證照考試:設施規劃#136738
115年 · #136738
114年 - 114-1 中國工業工程學會_工業工程師等相關證照考試:設施規劃#133841
114年 · #133841
114年 - 114 普通考試_工業工程:設施規劃概要#128311
114年 · #128311
113年 - 113-1 中國工業工程學會_工業工程師等相關證照考試:設施規劃#133845
113年 · #133845
113年 - 113 普通考試_工業工程:設施規劃概要#121103
113年 · #121103
112年 - 112-1 中國工業工程學會_工業工程師等相關證照考試:設施規劃#133848
112年 · #133848
112年 - 112 地方政府特種考試_三等_工業工程:設施規劃#118137
112年 · #118137
112年 - 112 高等考試_三級_工業工程:設施規劃#115447
112年 · #115447
112年 - 112 普通考試_工業工程:設施規劃概要#115361
112年 · #115361
111年 - 111-1 中國工業工程學會_工業工程師等相關證照考試:設施規劃#133849
111年 · #133849