阿摩線上測驗 登入

試題詳解

試卷:114年 - 02900 視聽電子 乙級 工作項目 04:電子學 201-250(2025/10/16 更新)#132297 | 科目:技檢◆視聽電子-乙級

試卷資訊

試卷名稱:114年 - 02900 視聽電子 乙級 工作項目 04:電子學 201-250(2025/10/16 更新)#132297

年份:114年

科目:技檢◆視聽電子-乙級

複選題
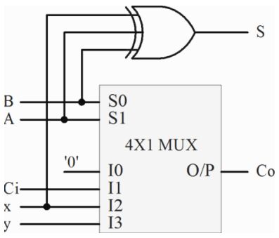
236. (本題刪題)下圖電路所示,為利用 4 對 1 多工器設計一全加器(FA),其中 A 為被加數、B 為加數、Ci 為進位輸入,S 為和、Co 為進位輸出,下列敘述何者正確?


(A)x=Ci
(B)x=1
(C)y=1
(D)y=0 。

正確答案:登入後查看

詳解 (共 1 筆)

推薦的詳解#6952841
未解鎖
1. 題目解析 本題是關於全加器的設計問...
(共 828 字,隱藏中)
前往觀看
0
0