阿摩線上測驗 登入

試題詳解

試卷:98年 - 98 經濟部所屬事業機構_新進職員甄試試題_電機、儀電、通信:1.電路學 2.電子學#136994 | 科目:國營事業◆1.電路學 2.電子學

試卷資訊

試卷名稱:98年 - 98 經濟部所屬事業機構_新進職員甄試試題_電機、儀電、通信:1.電路學 2.電子學#136994

年份:98年

科目:國營事業◆1.電路學 2.電子學

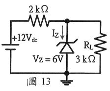
23. 如圖13之 =3kΩ,試計算流經齊納二極體之 電流 


(A) 0 mA
(B) 1 mA
(C) 2 mA
(D) 3 mA

正確答案:登入後查看