所屬科目:國營事業◆1.電路學 2.電子學
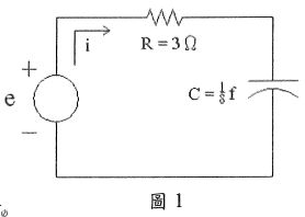
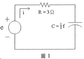
1. 圖 1 電路中輸入電壓 e(t) = 10 sin2t 伏特,已知 sin53°= 0.8,求電流(安培)i(t)
(A) 2 sin(t+53°) (B) 2 sin(2t+53°) (C) 12 sin(2t+53°) (D) 12 sin(t+53°)
2. 如圖1所示,計算傳送到此電路之平均電功率
(A) 12 W (B) 6 W (C) 3 W (D) 24 W
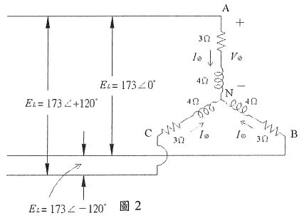
3. 計算圖2電路中負載的總有效功率
(A) 3600 W (B) 4000 W (C) 3200 W (D) 3000 W
4. 計算圖2電路之功率因數
(A) 0.6 (B) 0.7 (C) 0.8 (D) 0.9
5. 圖3電路中E=100∠0°伏特,求電流i
(A) 4∠0°A (B) 20∠0°A (C) 50∠-90°A (D) 20∠90°A
6. 計算圖3電路之平均電功率
(A) 3000 W (B) 4000 W (C) 1000 W (D) 2000 W
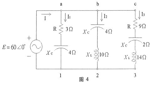
7. 圖4電路中E=60∠0°伏特,求支路a-1 的電流
(A) 12∠37°A (B) 20∠53°A (C) 15∠37°A (D) 12∠53°A
8. 如圖4所示,求支路b-2之功率因數
(A) 0.6 (B) 0.0 (C) 0.4 (D) 0.9
9. 如圖4所示,求支路c-3之有效功率
(A) 200 W (B) 144 W (C) 240 W (D) 192 W
10. 電流 i(t) = 6 sin(ω t-60°)安培,求其均方根值(r.m.s) (A) Irms = 6 A (B) Irms = 8.4A (C) Irms = 4.24 A (D) Irms =12 A
11. 流經線圈(L=0.1H)之電流 i(t) = 10 sin377t 安培,求跨此線圈之電壓 v(t) (伏特)
(A) 377 sin(377t+90°) (B) 100 sin377t (C) 100 sin(377t+90°) (D) 377 sin377t
12. 圖5電路, t=0時開關置於位置1, t=10毫秒時電容器電壓 伏特,計算n 值
(A) 1 (B) 2 (C) -2 (D) -1
13. 圖6電路, t=0時開關閉合, t=8 µSec 時電流安培, A=0.0006,計算n 值
(A) -10 (B)-5 (C) -100 (D) -1
14. 圖7之戴維寧等效電路為圖8,求值
(A) 4Ω (B) 5Ω (C) 10Ω (D) 6Ω
15. 計算圖8電路之值
(A) 48V (B) 36V (C) 84V (D) 12V
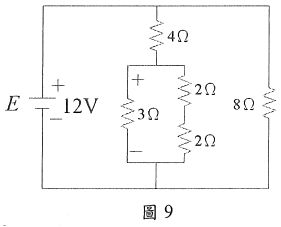
16. 計算流經圖9中8Ω電阻器之電流
(A) 4A (B) 3A (C) 1.5A (D) 2A
17. 計算圖9中3Ω電阻器兩端之電壓值
(A) 3.6 V (B) 6V (C) 8V (D) 5.4 V
18. 圖10的電容器已充電至平衡狀態,計算電容器C2之電荷為多少微庫侖
(A) 64 (B) 32 (C) 16 (D) 168
19. 計算圖10中電容器 C₁兩端之電壓值
(A) 24V (B) 36V (C) 16V (D) 56V
20. 計算圖 11 電路可傳送最大功率到電阻器 R 時, R 之電阻值
21. 使 NPN BJT 電晶體工作在動作(Active)、截止(Cutoff)、飽和(Saturation)區,下列敘述何者錯誤 (A)截止區時BE接面反向偏壓 (B)動作區時CB 接面順向偏壓 (C)飽和區時BE 接面順向偏壓 (D)飽和區時CB 接面順向偏壓
22. 試計算圖12之 電流,其中 D1、D2為理想二極體
(A) 2 mA (B) 1.33 mA (C) 1 mA (D) 0 mA
23. 如圖13之 =3kΩ,試計算流經齊納二極體之 電流
(A) 0 mA (B) 1 mA (C) 2 mA (D) 3 mA
24. 如圖14電路 β =100,截止區時=0V、動作區時=0.7V、飽和區時 =0.8V,試計算電壓
(A) = 1.4 V (B) = 4.3 V (C) = 5.7 V (D) =7.5 V
25. 圖 14 電晶體偏壓電路,控制其熱穩定因素者為?
(A)1+ β值 (B) 電阻 (C)電阻 (D)值
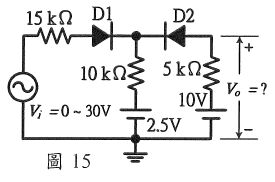
26. 如圖15, D1、D2為理想二極體,試計算 Vo電壓為?
(A) 2.5~10 V (B) 5.5~10V (C) 7.5~10V (D) 10 V
27. 如圖16,為何一種型式之 MOSFET 電晶體之特性曲線?
(A)n 控道空乏型(B)n 控道增強型(C)p控道空乏型(D)p 控道增強型
28. 對 BJT 晶體信號放大,耦合須要得到最低之輸入阻抗,應使用? (A)共集極放大 (B)共基極放大 (C)共射極放大 (D)達靈頓放大
29. 如圖17, N-MOSFET 元件,其 = 10 µA/V²,控道 W = 200 µm,長 L = 10 µm,求元件參數 K為?
(A) 0.5 mA/V2 (B) 0.4 mA/V2 (C) 0.2 mA/V2 (D) 0.1 mA/V2
30. 如圖17,若 ip=0.4mA, V₁=2V,忽略控道效應入 =0,計算 R 為?
(A) 15 ΚΩ (B) 16.47 ΚΩ (C) 17.5 ΚΩ (D) 17.76 ΚΩ
31. 如圖18輸入電壓,計算OP 放大器電路之輸出 =?
(A) +5 V (B) +3 V (C) -5 V (D) -3 V
32. 如圖19輸入電壓,計算 OP 放大器電路之輸出=?
(A) -4 V (B) -12 V (C) -6 V (D) -8 V
33. 如圖20, R=1kΩ, C= 10 µF,計算 OP 放大器 high pass 電路之 cutoff 頻率響應=?
(A) 15.9 Hz (B) 33.3Hz (C) 66.6 Hz (D) 100 Hz
34. 對 BJT 電晶體信號放大採自偏電壓(self-biasing)之設計及增加Re 電阻,下列敘述何者為正確? (A)提高電壓放大率 (B)提高電流放大率 (C)增加熱穩定度 (D)增加串級電壓放大率
35. 如圖21 邏輯電路(0,1),已設定 B = 1, D = 1, F = 0,若要使 Y=0 則下列敘述何者為正確?
(A) A = 1,C = 1, E = 0 (B) A = 1,C = 0, E = 0 (C) A = 0,C = 1, E = 1 (D) A = 0,C = 0, E = 1
36. 如圖22 邏輯電路,主要邏輯閘 接線連接後類同何種邏輯?
(A) One-Shot (B) Register (C) Toggle (D) Latch
37. 如圖22之邏輯電路,若 輸入端頻率為40 KHz 則 輸出頻率=?
(A) 5 KHz (B) 10 KHz (C) 20 KHz (D) 40 KHz
38. 米勒效應(Miller Effect)現象係發生在? (A) P-N 二極體接面 (B) BJT 晶體之 B-E 極 (C) FET 晶體之 G-S 極 (D)電容器接面
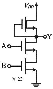
39. 如圖23之 MOSFET 電路,A、B端為輸入,Y端為輸出,電路架構為何種邏輯閘?
(A) AND閘 (B) OR閘 (C) NAND閘 (D) NOR 閘
40. 如圖24功率級放大電路,電路架構屬何類型?
(A)A 級放大 (B) B級放大 (C) C級放大 (D) AB級放大
41. 圖25中E=9∠0°伏特,此電路能傳送最大功率到負載 時,負載之阻抗值為多少歐姆
(A) 9.6 + j8 (B) 10.6 - j8 (C) 10.6 - j6 (D) 8.6 + j6
42. 計算圖25 電路中負載之最大功率
(A) 3.4 W (B) 4.3 W (C) 2.4 W (D) 9.2 W
43. 圖 26 電路的總阻抗 為多少歐姆
(A) 3 + j6 (B) 3 (C) 1 + j2 (D) 1
44. 圖27 中 E=20∠0°伏特,跨6Ω電阻器之諾頓等效電路為圖28,計算值(安培)
(A) 4∠-53° (B) 20∠0° (C) 5∠53° (D) 4∠-37°
45. 計算圖28之R值
(A) 6 Ω (B) 2.5 Ω (C) 5 Ω (D) 7.5 Ω
46. 圖29 中跨 電容器之戴維寧等效電路為圖30,計算值(Ω)
(A) 3 - 4j (B) 8 + 4j (C) 5 + 3j (D) 6 + j
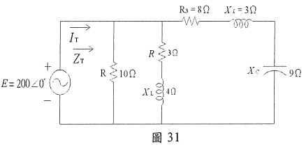
47. 圖31 電路中E=200∠0°伏特,求總電流 值(安培)
(A) 30 - j50 (B) 40 + j40 (C) 20 + j60 (D) 60 - j20
48. 計算圖31 電路之總阻抗為多少歐姆
(A) 3 + j (B) 1 +j4 (C) 2 + j6 (D) 6 - j2
49. 圖32 電路中 E=50∠20°伏特,求此電路之功率因數
(A) 0.95 (B) 0.98 (C) 0.97 (D) 0.99
50. 圖33的總電阻等於
(A) 4.2 Ω (B) 10.2 Ω (C) 2.2 Ω (D) 6.2 Ω
51. 如圖34 半波整流電路,漣波電壓為1 V(peak to peak),計算電容C值為?
(A) 50 μF (B) 83.33 μF (C) 100 μF (D) 166.67 µF
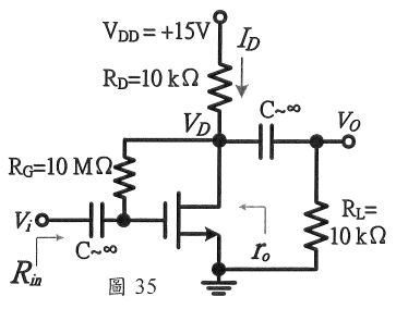
52. 如圖35信號放大電路,參數 K = 0.125 mA/V2,= 1.5V,請計算電壓=?
(A) 3.6 V (B) 3.8 V (C) 4.4 V (D) 4.8 V
53. 如圖35所示,若FET 元件參數=50V,請計算輸出阻抗?
(A) 10 ΚΩ (B) 25 ΚΩ (C) 47 ΚΩ (D) 75 ΚΩ
54. 如圖35,計算電壓信號放大率?
(A) +33 (B) -33 (C) +3.3 (D) -3.3
55. 如圖35,計算輸入阻抗 =?
(A) 1.33 ΜΩ (B) 2.33 ΜΩ (C) 3.33 ΜΩ (D) 4.33 ΜΩ
56. 如圖36輸入電壓 =+2 V,計算 OP放大器電路之輸出=?
(A) -6 V (B) -3 V (C) +1 V (D) +2 V
57. 如圖37之 OP 放大器電路,其功能為何種濾波器(filter)?
(A) low pass (B) high pass (C) band pass (D) notch
58. 計算圖37 OP 放大器電路之濾波響應頻率為? (A) 30 Hz (B) 60 Hz (C) 75 Hz (D) 100 Hz
59. 如圖38電路, MOSFET 電路 D-G極接線連接如圖示,稱為?
(A) diode-limiter (B) diode-clamped (C) diode-connected (D) diode-regulator
60. 如圖38所示,固定電流提供 0.2mA至圖38 電路,其=100 μΑ/V2,控道 W = 100 µm,長 L = 10 µm,試計算 MOSFET 的小信號阻抗(incremental resistance) r = ?
(A) 1 ΚΩ (B) 1.118 ΚΩ (C) 1.58 ΚΩ (D) 2 ΚΩ