所屬科目:國營事業◆1.電路學 2.電子學
3. 右圖電路中之各電阻器均為 1Ω,則 Rab等於下列何者?
(A) ( 1 − ) Ω (B) ( 1 + ) Ω (C) ( 2 + ) Ω (D) ( 2 + ) Ω
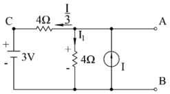
4. 依右圖所示電路,下列敘述何者正確?
(A) VAC = 6 V (B) VAB = 6 V (C) I=2.5 A (D) VAC = 1.25 V
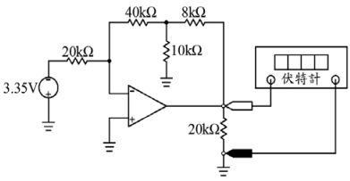
5. 求右圖電路中伏特計的讀值為何?
(A) 13.4 V (B) 13 V (C) 12.4 V (D) 12 V
7. 依右圖所示電路,當 S 閉合後,經 t = 3 × 10−3 秒後,電感器的端電壓uL為何?
(A) 1.2 V (B) 2.4 V(C)2.8 V (D) 3.6 V
11. 有一 R-L串聯之電路接於交流電壓ℯ(t) = 10sin(100t − 20°),而線電流i(t)=2sin(100t-80°)安培,則此電路之純電阻值為下列何者?(A) 2.5Ω (B) 4Ω (C) 5Ω (D) 8Ω
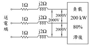
13. 右圖所示之 3ψ3 W 60 Hz 之電路,阻抗 ,經測得受電端之電壓,負載消耗功率 200 kW,功率因數為 0.8,則此送電端之電壓為多少?
(A) 2250 V (B) 2850 V (C) 3250 V (D) 3450 V
16. 設 F(s) = ,求f(t) 為下列何者? (A) 1 − cos t (B) t − (C)et(D)e4t − 1
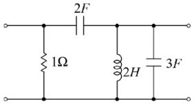
17. 右圖所示週期為 2a 之方形波,求其拉氏轉換式為下列何者?
(A) (B) (C) (D)
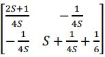
18. 右圖所示為一雙埠網路,求 Y 參數陣列為下列何者?
23.i1 = 10sinωt, i2= 10cosωt,則(i1 +i2 )比i1 引前多少度?(A)30 度 (B)45 度 (C)60 度 (D)90 度
31. 設有一電路的轉移函數 T(S) = ,求下列敘述何者正確? (A)半功率頻率為100 rad/sec (B)增益為100dB的頻率為1rad/sec (C)直流增益為40 dB(D)高頻增益為100
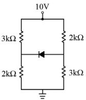
41. 假設右圖之二極體為一理想元件,試求二極體電流 ID之值約為何?
(A) 0.83 mA (B) 1.0 mA (C) 1.87 mA (D) 2.5 mA
42. 如右圖所示之電晶體偏壓電路,已知 C1 = 20 µF,C2 = 20 µF,C3 = 60 µF,R1 = 20 kΩ,R2 = 5 kΩ,R3 = 5 kΩ,R4 = 1 kΩ,β = 100,IC電流值約為何?
(A) 0.84 mA (B) 1.24 mA (C) 2.14 mA (D) 3.34 mA
43. 一電晶體電路如右圖所示,假設各電晶體的 β = 50, VBE = 0.7 V,C1,C2,C3,C4有很大的電容值,請 問此電路的電壓增益 為何?
(A) -11 (B) -21 (C) -32 (D) -53
44. 右圖所示為一差動放大器,假設 Q1與 Q2為完全匹配的電晶體且均工作在作用區,請問下列何者有誤?
(A)當 REE的值變大時,CMRR 值增大 (B)當 IEE的值變大時,差模增益值 |ADM| 增大 (C) RC的值越大則差模增益值 |ADM| 越大 (D) RC的值越大則共模增益值 ACM越小
45. 右圖的電路包含 5 個完全相同的電晶體,各電晶體的臨限電壓 Vt = 1 V,假設可忽略基體效應與通道長度調變效應,試求輸出電壓 Vo為何?
(A) 1 V (B) 2 V (C) 3 V (D) 4 V
46. 如右圖所示之理想運算放大器電路 Vin1 = 1 V,Vin2 = 0.5 V ,Vin3 = 2 V,R1 = 4 kΩ,R2 = 5 kΩ,R3 = 10 kΩ,Rf = 20 kΩ,試求總輸出電壓 Vout約為何?
(A) -3 V (B) -6 V (C) -8 V (D) -11 V
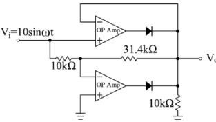
47. 右圖為全波濾波器,若輸入Vi=10sinωt,試求直流電壓值(Vo之 dc值)為何?
(A) 6.36 V (B) 10 V (C) 13.2 V (D) 15 V
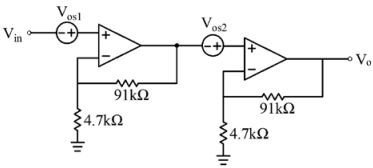
48. 右圖中有兩個理想運算放大器串級,其輸入補償電壓 Vos1 = Vos2 = 8 mV,若輸入 Vin = 0.01 V 時,試求 Vo之值約為何?
(A) 7.63 V (B) 5.79 V (C) 4.15 V (D) 3.48 V