所屬科目:國營事業◆1.電路學 2.電子學
1.求右圖電路中的V=? (A) -4 V (B)-2 V (C) 2 V (D) 4 V
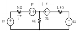
2. 求右圖電路中的I=? (A) 0.5 A (B) 1 A (C) 1.5 A (D) 2 A
5. 求右圖所示電路,a、b兩端的等效電容? (A) 1 nF (B) 1.52 nF (C) 2 nF (D) 2.52 nF
6. 理想二極體組成之箝位器(Diode Clampers)電路, 如右圖所示,若輸入為0 ~10 V之方波,試求其輸 出電壓範圍? (A) -10~0 V (B) -7~3 V (C) -3~7 V (D) 3~10 V
9. 經過全波整流器(Full-Wave Rectifier)之正弦波信號,輸出電壓平均值與輸入電壓峰值的 關係為?
10. 有關於BJT電晶體(npn)之敘述,下列敘述何者有誤? (A)基極-射極、基極-集極接面皆施與順向偏壓,電晶體將工作於飽和區 (B)當基極電流逐漸下降為0,電晶體將進入截止區 (C)在飽和區工作之電晶體, (D)一般BJT之電壓增益參數會隨著接面溫度Tj上升而增加
11. 求右圖電路中的V =? (A) 50 V (B) 60 V (C) 70 V (D) 80 V
12. 求右圖電路中,5 Ω所消耗的功率? (A) 2.4 W (B) 3.8 W (C) 7.2 W (D) 8.4 W
13. 有一個戴維寧等效電路是由一獨立電壓源串聯一電阻組成,請問轉換為諾頓等效電路 後的獨立電流源為? (A) (B) (C) (D)
15. 右圖所示電路是理想的運算放大器,求ܸV0=? (A) -11 V (B) -5 V (C) 5 V (D) 11 V
16. 一BJT電晶體直流工作電路如右圖,若不希望電晶體進 入飽和區,請問ܸ在基極端所產生之電流最大允許增 加量為何? (A) 100 μA (B) 150 μA (C) 175 μA (D) 200 μA
17. 若一BJT電晶體分壓器偏壓電路如右圖,若電晶體? (A) 2 V (B) 4.3 V (C) 5 V (D) 8.5 V
18. 有一差動放大器,CMRR= 2000、共模增益、輸入電壓分別為200 μV、100 μV,求 輸出電壓? (A) 39.97 mV (B) 40 mV (C) 40.03 mV (D) 40.06 mV
21. 右圖所示電路為理想的運算放大器,求 Rin =? (A) (B) (C) 1 Ω (D)
22. 一電感器兩端的電壓為V ( t ) = ܸ,請問電感器的電壓變成10 V時,t 為何值? (A) 128.629 ms (B) 138.629 ms (C) 148.371 ms (D) 158.371 ms
25. 已知一弦波電壓為V=10 cos,求其週期為? (A) 4 ms (B) 5 ms (C) 6 ms (D) 7 ms