所屬科目:國營事業◆1.電路學 2.電子學
1. 有一30馬力100伏特的直流馬達,效率為80 %,則輸入電流為何?(A) 74.6 A (B) 279.75 A (C) 746 A (D) 2797.5 A
2. 辦公室內共裝有6顆100瓦的電燈泡,若這6顆電燈泡每天點亮10小時,每月點亮20天,假設每度(千瓦.小時)電費為6元,試問每月所需電費為何?(A) 180元 (B) 360元 (C) 540元 (D) 720元
3. 有一導線長1米,截面積為2平方毫米,電阻係數為4✖10-6歐姆‧米,若導線兩端加上8伏特電壓時,試求流過導線的電流為何?(A) 2 A (B) 4 A (C) 8 A (D) 16 A
4. 如右圖所示之電路圖,試求電流I值為何?
(A) 0 A(B) 4 A(C) 8 A(D) 12 A
5. 如右圖所示之電路圖,若I為0 A,試求R與IX值分別為何?
(A)R = 6 Ω,IX = 2 A(B) R = 6 Ω,IX = 4 A(C) R = 9 Ω,IX= 2 A(D) R = 9 Ω,IX= 4 A
6. 如右圖所示之電路圖,試求E值為何?(A) 12 V(B) 15 V(C) 18 V(D) 21 V
7. 有一電路之電壓電源為(100 + ݆200) V,若在此電路中流過(5 + ݆15)A電流,試求此電路等效阻抗值為何?(A) 1.4 -j2 (B) 1.4 + ݆j2 (C) 14 - ݆j2 (D) 14 +j2
8. 有一電容器為80 μF,電荷為20庫倫,試求其儲存電能為何?(A) 2.5焦耳 (B) 2.5✖102焦耳 (C)2.5✖104焦耳 (D)2.5✖106焦耳
9. 如右圖所示之電路圖,試求a、b兩端戴維寧等效電阻為何?
(A) 6 Ω(B) 8 Ω(C) 10 Ω(D) 12 Ω
10. 如右圖所示之電路圖,試求I值為何?(A) 0.595 A(B) 1.189 A(C) 1.784 A(D) 2.378 A
11. 假設一拉氏函數為F(s)=,請利用反拉氏轉換,試求݂f(t)為何?(A) 3݁e-t+5݁e-2t+7e-3t(B)1e-2t+2e-3t+3e-4t(C)3e-t+5e-3t+7e-5t(D)1e-t+2e-3t+3e-5t
12. 如右圖所示之電路圖,試求6 Ω之戴維寧等效電路,其RTh、ETh及I值分別為何?(A) RTh = 4 Ω,ETh = 34 V,I = 3.2 A(B) RTh = 4 Ω,ETh = 34 V,I = 3.4 A(C) RTh = 6 Ω,ETh = 36 V,I = 3.2 A(D) RTh = 6 Ω,ETh = 36 V,I = 3.4 A
13. 已知 Z = ,試求Y12參數為何?(A) -0.0625 S (B) -0.05375 S (C) 0.0625 S (D) 0.09375 S
14. 有一RLC並聯電路,電感值與電容值分別為2 H與0.5 μF,試求臨界阻尼時電阻值為何?(A) 125 Ω (B) 250 Ω (C) 500 Ω (D) 1000 Ω
15. 若兩磁耦合線圈自感分別為5 mH與432 mH,兩線圈互感為45.8 mH,試求兩線圈耦合係數為何?(A) 0.9487 (B) 0.9635 (C) 0.9855 (D) 1.0231
16. 有關串聯電路之敘述,下列何者正確?(A)電阻、電感串聯電路,電阻愈大,則時間常數愈大(B)電阻、電容串聯電路,電阻愈大,則時間常數愈小(C)電阻、電容串聯電路,電容愈大,則電路所需之穩態時間愈長(D)電阻、電感串聯電路,電感愈大,則電路所需之穩態時間愈短
17. 如右圖所示之電路圖,試求流經R1之電流值為何?(A) -3 A(B) -2 A(C) 0.5 A(D) 1 A
18. 如右圖所示之電路圖,試求伏特計之讀值為何?
(A) 22.3 V(B) 23.6 V(C) 24.8 V(D) 25 V
19. 有一線圈和電容串聯,其半功率頻帶寬為5 kHz,݂f0 = 270 kHz,V = 1.86伏特,P0 = 125 mW,試求L值為何?(A) 0.881 μH (B) 8.81 μH (C) 88.1 μH (D) 881 μH
20. 在一L-C串聯電路中,若L = 6.25 H且與C串聯於60 Hz電壓源,若欲改變電容量使其達到共振,試求電容器C值應調整為何?(A) 1.126μF (B) 2.252 μF (C) 3.378 μF (D) 4.504 μF
21. 如右圖所示,有一無限長之網路電路由阻抗Z組成,試求ܼZin值為何?(A) 1 + Ω(B) 1 +Ω(C) 2 +Ω(D) 2 +Ω
22. 如右圖所示之電路圖,試求輸入阻抗值為何?
(A) 1.5 Ω(B) 2 Ω(C) 2Ω(D) 2 Ω
23. 如右圖所示之電路圖,試求理想運算放大器輸出電壓ܸV0值為何?(A) -14 V(B) -11.5 V(C) 11.5 V(D) 14 V
24. 有一RLC串聯電路,連接一60 Hz 、100 V電壓源,若串聯電路R = 100 Ω,ܺXL = 60 Ω,ܺXC = -0.6 Ω,試求電路諧振頻率為何?(A) 2.4 Hz (B) 3.6 Hz (C) 4.8 Hz (D) 6 Hz
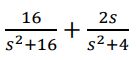
25. 試求8sin 4t – 6cos 2t的拉普拉斯轉換為何?(A) (B)(C)(D)
26. 有一理想全波整流器之輸入電壓為V(t)=2+cos t+3sin 2t伏特,試求輸入電壓有效值為何?(A) 2 V (B) 3 V (C) 5 V (D) 6 V
27. 有一單相全波橋式整流器,若不加濾波器時,試求漣波因數為何?(A) 10 % (B) 50 % (C) 121 % (D) 200 %
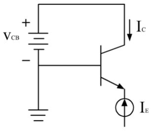
28. 如右圖所示之電路圖,電晶體β = 50,若IE = 2毫安培,VCB = 2伏特,試求IC值為何?(A) 0毫安培(B) 0.98毫安培(C) 1.96毫安培(D) 5毫安培
29. 有一NPN型電晶體,hFE = 100,流入集極、基極電流分別為0.8安培、12毫安培,試問此電晶體處於下列何區?(A)飽和區 (B)截止區 (C)主動區 (D)無法判定
30. 下列何者為射極隨耦器之阻抗特性?(A)輸出阻抗小,輸入阻抗大 (B)輸出阻抗大,輸入阻抗小(C)輸出及輸入阻抗兩者均大 (D)輸出及輸入阻抗兩者均小
31. 如右圖所示之N通道MOSFET電路圖,若VDD = 15伏特,洩極(Drain)電流ID = 10毫安培,試求閘極與源極間電壓VGS值為何?(A) 2 V(B) 4 V(C) 8 V(D) 10 V
32. 有一場效電晶體,導電參數K = 2 mA/V²,若其直流工作點汲極電流為12.5 mA,試求互導gm值為何?(A) 2 mS (B) 8 mS (C) 10 mS (D) 20 mS
33. 有一電晶體輸出電流ICQ = 1.98 mA,α = 0.99及VT = 25 mV,試求該電晶體交流等效電阻re值為何?(A) 2.5 Ω (B) 5 Ω (C) 10 Ω (D) 12.5 Ω
34. 有一穩定電壓之全波整流輸出電路,若輸出直流平均電壓VDC為5 V,試求其輸入之交流正弦波峰對峰電壓值為何?(A) 1 V (B) 5.7 V (C) 10 V (D) 15.7 V
35. 雙極性電晶體(BJT)若工作在主動作用區時,下列敘述何者正確?(A)基極-射極接面、基極-集極接面都逆偏(B)基極-射極接面逆偏、基極-集極接面順偏(C)基極-射極接面順偏、基極-集極接面逆偏(D)基極-射極接面、基極-集極接面都順偏
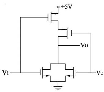
36. 如右圖所示之電路圖,屬於下列何種邏輯閘?
(A) NAND閘(B) NOR閘(C) AND閘(D) OR閘
37. 若在反相器電路中,試問電晶體工作處於下列何區?(A)飽和或截止區 (B)僅主動區 (C)僅截止區 (D)僅飽和區
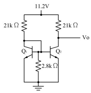
38. 如右圖所示之電路圖,具有完全相同之兩電晶體,若β = 200、VBE = 0.7 V,試求VO電壓值為何?(A) 1 V(B) 2 V(C) 4 V(D) 6 V
39. 有一經測試單極RC低通濾波器,時間常數為0.159 ms,試求其3分貝頻帶寬度為何?(A) 159 Hz (B) 477 Hz (C) 1 kHz (D) 10 kHz
40. 如右圖所示之共射極(CE)電晶體放大電路圖,電晶體β = 100,試求放大電路之交流電壓增益AV值為何?(A) -10(B) -3(C) 0(D) 10
41. 有一差動放大器,若共模增益AC = 50,差模增益Ad = 150,試求其共模拒斥比(CMRR)值為何?(A) 0.3 (B) 3 (C) 10 (D) 50
42. 如右圖所示之電路圖,若電晶體工作在主動區,其輸出直流偏壓電流為ICQ = 3 mA,R1 =2 kΩ,R2 = 30 kΩ且熱電壓 = 25 mV,試求基極端等效輸入電阻值為何?(A) 0.01 kΩ(B) 0.05 kΩ(C) 0.1 kΩ(D) 0.5 kΩ
43. 有一電源交流信號VS(t) = 20sin 377t伏特,經橋式整流後,試求其輸出漣波頻率為何?(A) 60 Hz (B) 100 Hz (C) 120 Hz (D) 377 Hz
44. 下列何者為同時具有高輸入阻抗、低輸出阻抗,且適合作為阻抗匹配之電晶體放大電路?(A)共射極 (B)共集極 (C)共基極 (D)共陰極
45. 如右圖所示,為具有兩個共振頻率之石英體等效電路圖,試問下列何者為共振頻率之一?(A) 0.435 MHz(B) 1.67 MHz(C) 10.5 MHz(D) 15.9 MHz
46. 有一半波峰值整流器,輸入電壓為60 Hz弦波且峰值為Vp = 100 V,若負載電阻R = 10 kΩ,如欲產生2 V峰對峰漣波電壓,試求電容值為何?(A) 1 μF (B) 10 μF (C) 83.3 μF (D) 100 μF
47. 有一N通道JFET在歐姆區內正常工作,若閘極與源極間電壓VGS負值越大時,下列何者正確?(A)匱乏區越大,D極及S極的有效阻抗越大(B)匱乏區越小,D極及S極的有效阻抗越大(C)匱乏區越大,D極及S極的有效阻抗越小(D)匱乏區越小,D極及S極的有效阻抗越小
48. 下列何者不是理想運算放大器的條件?(A)輸入阻抗無限大 (B)輸出阻抗為零 (C)放大率無限大 (D)延遲率為零
49. 有一差動放大器的輸入電壓分別為V1 = 10 μV,V2 = -10 μV,若差動電壓增益Ad = 1000,共模拒斥比CMRR = 1000,試求輸出電壓V0值為何?(A) 10 mV (B) 15 mV (C) 20 mV (D) 30 mV
50. 如右圖所示為理想放大器電路圖,若R1 = 1 kΩ、R2 = 3 kΩ、Ra = 1 kΩ、Rb = 3 kΩ、ν1 = 4 V、ν2 = -2 V,試求輸出電壓νo 值為何?
(A) 1 V(B) 3 V(C) 10 V(D) 15 V