阿摩線上測驗
登入
首頁
>
國營事業◆1.電路學 2.電子學
>
98年 - 98 經濟部所屬事業機構_新進職員甄試試題_電機、儀電、通信:1.電路學 2.電子學#136994
> 試題詳解
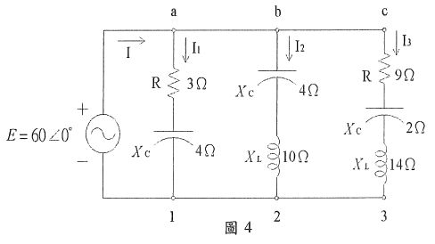
8. 如圖4所示,求支路b-2之功率因數
(A) 0.6
(B) 0.0
(C) 0.4
(D) 0.9
答案:
登入後查看
統計:
尚無統計資料
相關試題
1. 圖 1 電路中輸入電壓 e(t) = 10 sin2t 伏特,已知 sin53°= 0.8,求電流(安培)i(t) (A) 2 sin(t+53°) (B) 2 sin(2t+53°) (C) 12 sin(2t+53°) (D) 12 sin(t+53°)
#3804339
2. 如圖1所示,計算傳送到此電路之平均電功率 (A) 12 W (B) 6 W (C) 3 W (D) 24 W
#3804340
3. 計算圖2電路中負載的總有效功率 (A) 3600 W (B) 4000 W (C) 3200 W (D) 3000 W
#3804341
4. 計算圖2電路之功率因數 (A) 0.6 (B) 0.7 (C) 0.8 (D) 0.9
#3804342
5. 圖3電路中E=100∠0°伏特,求電流i (A) 4∠0°A (B) 20∠0°A (C) 50∠-90°A (D) 20∠90°A
#3804343
6. 計算圖3電路之平均電功率 (A) 3000 W (B) 4000 W (C) 1000 W (D) 2000 W
#3804344
7. 圖4電路中E=60∠0°伏特,求支路a-1 的電流 (A) 12∠37°A (B) 20∠53°A (C) 15∠37°A (D) 12∠53°A
#3804345
9. 如圖4所示,求支路c-3之有效功率 (A) 200 W (B) 144 W (C) 240 W (D) 192 W
#3804347
10. 電流 i(t) = 6 sin(ω t-60°)安培,求其均方根值(r.m.s) (A) Irms = 6 A (B) Irms = 8.4A (C) Irms = 4.24 A (D) Irms =12 A
#3804348
11. 流經線圈(L=0.1H)之電流 i(t) = 10 sin377t 安培,求跨此線圈之電壓 v(t) (伏特) (A) 377 sin(377t+90°) (B) 100 sin377t (C) 100 sin(377t+90°) (D) 377 sin377t
#3804349
相關試卷
114年 - 114 台灣電力公司_大學及研究所獎學金甄選試題_電驛:電路學、電子學及保護協調#137052
2025 年 · #137052
114年 - 114 經濟部所屬事業機構_新進職員甄試試題_電機、儀電:1 .電路學 2 .電子學#136976
2025 年 · #136976
113年 - 113 經濟部所屬事業機構_新進職員甄試_電機(一)、電機(二)、儀電:電路學、電子學#123749
2024 年 · #123749
112年 - 112 經濟部所屬事業機構_新進職員甄試試題_電機、儀電:1.電路學 2.電子學#116960
2023 年 · #116960
111年 - 111 經濟部所屬事業機構_新進職員甄試_電機(一)、電機(二)、儀電:1.電路學 2.電子學#111368
2022 年 · #111368
110年 - 110 經濟部所屬事業機構_新進職員甄試_電機(一)、電機(二)、儀電:1.電路學 2.電子學#103646
2021 年 · #103646
109年 - 109 經濟部所屬事業機構_新進職員甄試_電機、儀電:1.電路學 2.電子學#92825
2020 年 · #92825
108年 - 108 經濟部所屬事業機構_新進職員甄試_電機、儀電:1.電路學 2.電子學#80841
2019 年 · #80841
107年 - 107 經濟部所屬事業機構_新進職員甄試_電機、儀電:1.電路學 2.電子學#92331
2018 年 · #92331
107年 - 107 中華郵政股份有限公司_職階人員甄試_營運職/電機工程:電路學與電子學#68276
2018 年 · #68276