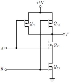
3. 小明使用如下圖所示二輸入反及(NAND)閘進行實驗,結果無論輸入A為邏輯0或邏輯1,輸出F永遠是輸入B的補數,則最有可能的故障原因為何? (1)QP1汲、源極開路 (2)QP2汲、源極開路 (3)QN1汲、源極短路 (4)QN2汲、源極短路
(A) (1)及(2)
(B) (3)及(4)
(C) (1)及(3)
(D) (2)及(4)
答案:登入後查看
統計: A(0), B(0), C(1), D(0), E(0) #3855105
統計: A(0), B(0), C(1), D(0), E(0) #3855105