阿摩線上測驗 登入

試題詳解

試卷:98年 - 98 經濟部所屬事業機構_新進職員甄試試題_電機、儀電、通信:1.電路學 2.電子學#136994 | 科目:國營事業◆1.電路學 2.電子學

試卷資訊

試卷名稱:98年 - 98 經濟部所屬事業機構_新進職員甄試試題_電機、儀電、通信:1.電路學 2.電子學#136994

年份:98年

科目:國營事業◆1.電路學 2.電子學

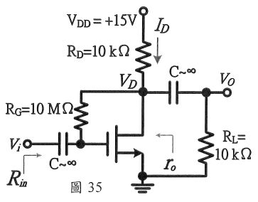
53. 如圖35所示,若FET 元件參數=50V,請計算輸出阻抗?


(A) 10 ΚΩ
(B) 25 ΚΩ
(C) 47 ΚΩ
(D) 75 ΚΩ

正確答案:登入後查看