試卷名稱:98年 - 98 經濟部所屬事業機構_新進職員甄試試題_電機、儀電、通信:1.電路學 2.電子學#136994
年份:98年
科目:國營事業◆1.電路學 2.電子學
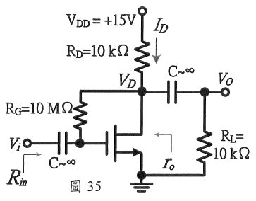
54. 如圖35,計算電壓信號放大率?
(A) +33 (B) -33 (C) +3.3 (D) -3.3