阿摩線上測驗 登入

試題詳解

試卷:98年 - 98 經濟部所屬事業機構_新進職員甄試試題_電機、儀電、通信:1.電路學 2.電子學#136994 | 科目:國營事業◆1.電路學 2.電子學

試卷資訊

試卷名稱:98年 - 98 經濟部所屬事業機構_新進職員甄試試題_電機、儀電、通信:1.電路學 2.電子學#136994

年份:98年

科目:國營事業◆1.電路學 2.電子學

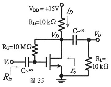
55. 如圖35,計算輸入阻抗 =?


(A) 1.33 ΜΩ
(B) 2.33 ΜΩ
(C) 3.33 ΜΩ
(D) 4.33 ΜΩ

正確答案:登入後查看