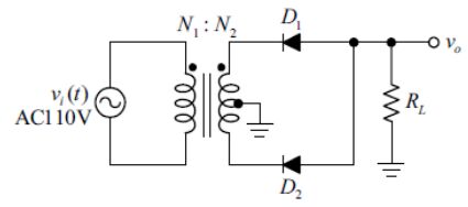
7 如圖所示二極體電路,是哪一種型式的整流電路?
(A) 半波整流電路
(B) 中心抽頭式全波整流電路
(C) 橋式全波整流電路
(D) 同向式整流電路
答案:登入後查看
統計: A(0), B(3), C(0), D(0), E(0) #3849383
統計: A(0), B(3), C(0), D(0), E(0) #3849383