阿摩線上測驗 登入

試題詳解

試卷:114年 - 12700 機械停車設備裝修 乙級 工作項目 05:電機部分 1-50(2025/12/17 更新)#135155 | 科目:技檢◆機械停車設備裝修-乙級

試卷資訊

試卷名稱:114年 - 12700 機械停車設備裝修 乙級 工作項目 05:電機部分 1-50(2025/12/17 更新)#135155

年份:114年

科目:技檢◆機械停車設備裝修-乙級

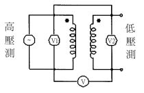
9. 單相變壓器如以下圖方式接線時,則電壓表 V 之指示值應為


(A)V1-V2
(B)V1+V2
(C)V1/V2
(D)V2/V1 。

正確答案:登入後查看