阿摩線上測驗
登入
首頁
>
建築結構系統
>
95年 - 95 高等考試_三級_建築工程:建築結構系統#34174
> 申論題
題組內容
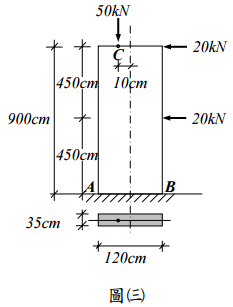
三、圖⑶為一叠砌構造牆體,厚度 35 cm,寬度 120 cm,底部固定。假定此牆之材料比 重為 2.0,承受外力如圖所示,試求:
⑴此牆最大彎矩發生位置及其大小。(10 分)
相關申論題
⑵又為使牆體在任何斷面均不產生拉張應力,以防砌塊與灰縫產生開裂,本系統應 如何做改善?(10 分)
#86219
⑴土壤液化(soil liquifaction)
#86220
⑵基礎壓密沉陷(foundation consolidation settlement)
#86221
⑶軟弱底層結構(soft-first-story structure)
#86222
⑷地震彈性反應譜(elastic seismic response spectrum)
#86223
⑸非展開型薄殼(nondevelopable shell)
#86224
⑴試求壩體下方土層每公尺寬度每秒滲流損失的水量,答案以 m3/s 表示。(5 分)
#86225
⑵試求 a、b、c、d 及 e 點之上揚壓力(uplift pressure),答案以 kN/m3 表示。(15 分)
#86226
⑴請繪出其應力摩爾圓(Mohr’s circle)。(5 分)
#86227
⑵請精準計算出其最大及最小主應力的大小及方向(與水平面之夾角)。(15 分) (註:粗略圖解答案只能獲得部分分數)
#86228
相關試卷
114年 - 114 專技高考_建築師:建築結構#133658
114年 · #133658
114年 - 114 公務升官等考試_薦任_建築工程:建築結構系統#133157
114年 · #133157
113年 - 113 臺灣菸酒股份有限公司_評價職位人員轉任職員甄試試題_建築工程(北一區)_專業科目 1:建築結構系統、建築構造施工#137380
113年 · #137380
113年 - 113-2 國營臺灣鐵路股份有限公司_從業人員甄試試題_第9階-技術員-建築工程:建築結構系統概要#137152
113年 · #137152
113年 - 113-2 國營臺灣鐵路股份有限公司_從業人員甄試_第8階-助理工程師-建築工程:建築結構系統#137128
113年 · #137128
113年 - 113 國營臺灣鐵路股份有限公司_從業人員甄試_第 8 階-助理工程師-建築工程:建築結構系統#137101
113年 · #137101
113年 - 113 專技高考_建築師:建築結構#123947
113年 · #123947
112年 - 112 臺灣菸酒股份有限公司_評價職位人員轉任職員甄試試題_從業職員_建築(土木)工程_專業科目 1:建築結構系統、建築構造施工#137423
112年 · #137423
112年 - 112 地方政府特種考試_三等_建築工程:建築結構系統#118181
112年 · #118181
112年 - 112 專技高考_建築師:建築結構#117513
112年 · #117513