阿摩線上測驗
登入
首頁
>
【阿摩】未分類題庫
>
111年 - 111 全國高級中等學校學生技藝競賽考試_工業類:鑄造工#138293
> 申論題
題組內容
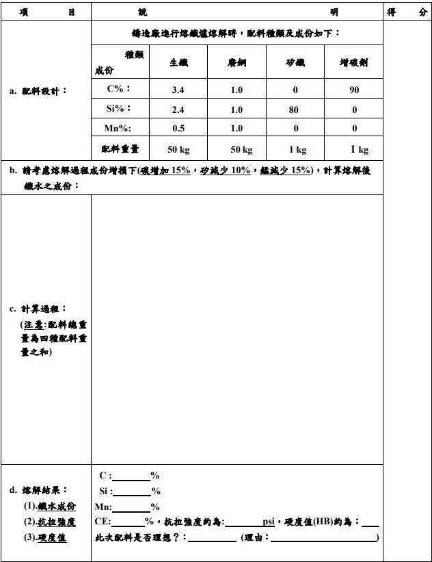
三、計算題:
1. 鑄鐵熔煉配料計算:
b. 請考慮熔解過程成份增損下(碳增加 15%,矽減少 10%,錳減少 15%),計算熔解後 鐵水之成份:
相關申論題
1.
#565942
2.
#565943
3.
#565944
4.
#565945
5.
#565946
1.
#565947
2.
#565948
3.
#565949
4.
#565950
1.
#565951
相關試卷
115年 - 115 中央警察大學_警正班第 3 5 期招生考試試題:刑法與刑事訴訟法#137830
115年 · #137830
114年 - 114 臺灣綜合大學系統_學士班轉學生考試試題:本國語言能力測驗(華語)#138298
114年 · #138298
114年 - 114 臺灣綜合大學系統_學士班轉學生考試試題:本國語言能力測驗(臺語)#138279
114年 · #138279
114年 - 114 臺灣綜合大學系統_學士班轉學生考試試題︰動物科學概論#138154
114年 · #138154
114年 - 114 全國高級中等學校學生技藝競賽考試_工業類:電腦軟體設計#138006
114年 · #138006
114年 - 114 全國高級中等學校學生技藝競賽考試_工業類:數位電子#137984
114年 · #137984
114年 - 114 新竹縣國民中學技藝教育競賽題庫:勞權教育#137975
114年 · #137975
114年 - 114 全國高級中等學校學生技藝競賽考試_工業類:電腦輔助機械製圖#137974
114年 · #137974
114年 - 114 全國高級中等學校學生技藝競賽考試_工業類:冷凍空調#137972
114年 · #137972
114年 - 114 全國高級中等學校學生技藝競賽考試_工業類:應用設計#137971
114年 · #137971