題組內容
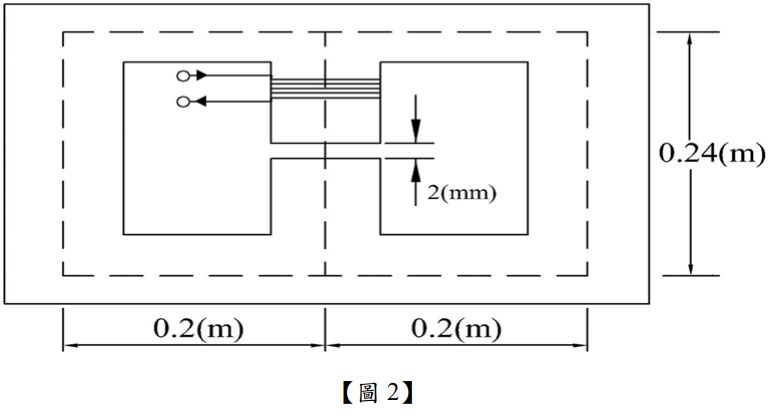
六、如【圖 2】所示,一磁路系統在中央分支鐵心有 N = 400匝的線圈,流入 I = 2 A 之穩態電流, 該鐵心的橫截面積為 S =
,相對導磁係數為 μr = 5000,試求:(2 題,每題 10 分, 共 20分)
註:π = 3.14159,μ0 = 

(一)中央分支磁通量 ϕ (計算結果請以
表示,並計算至小數點後第 2位,以下四捨五入)。
六、如【圖 2】所示,一磁路系統在中央分支鐵心有 N = 400匝的線圈,流入 I = 2 A 之穩態電流, 該鐵心的橫截面積為 S =
,相對導磁係數為 μr = 5000,試求:(2 題,每題 10 分, 共 20分)
註:π = 3.14159,μ0 = 

(一)中央分支磁通量 ϕ (計算結果請以
表示,並計算至小數點後第 2位,以下四捨五入)。