阿摩線上測驗 登入

申論題資訊

試卷:113年 - 113 地方政府公務特種考試_四等_電力工程:電工機械概要#124460
科目:電工機械(概要、大意)
年份:113年
排序:0

題組內容

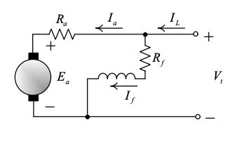
四、下圖為直流並激電動機(DC shunt motor)的等效電路圖。忽略電樞電阻
Ra 的影響,分析並回答下列問題:(每小題 13 分,共 26 分)

申論題內容

(一)若電源電壓 Vt 加倍,場電阻 Rf 保持不變,電動機的轉速會如何變化?