題組內容
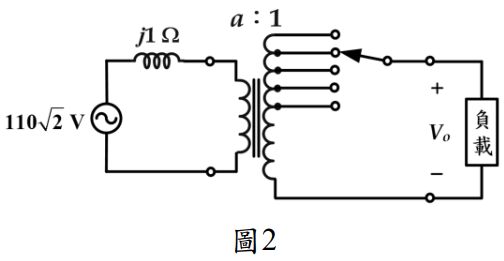
二、如圖 2 之單相變壓器,其二次側繞組具有可調整電壓的分接頭,一次側接一內阻為 j1 Ω 之 110
V 電壓源,二次側接一等效電阻可由 1 Ω 變 到 4 Ω 之電阻性負載。若在負載電阻變動範圍內,負載都要從電源獲得最大功率,請回答以下問題:(每小題 10 分,共 20 分)
(二)根據問題(一),負載兩端的電壓 Vo 應調整為何?
二、如圖 2 之單相變壓器,其二次側繞組具有可調整電壓的分接頭,一次側接一內阻為 j1 Ω 之 110
V 電壓源,二次側接一等效電阻可由 1 Ω 變 到 4 Ω 之電阻性負載。若在負載電阻變動範圍內,負載都要從電源獲得最大功率,請回答以下問題:(每小題 10 分,共 20 分)
(二)根據問題(一),負載兩端的電壓 Vo 應調整為何?