阿摩線上測驗
登入
首頁
>
船藝學
>
112年 - 112 高等考試_三級_航海技術:船藝學#115466
> 申論題
題組內容
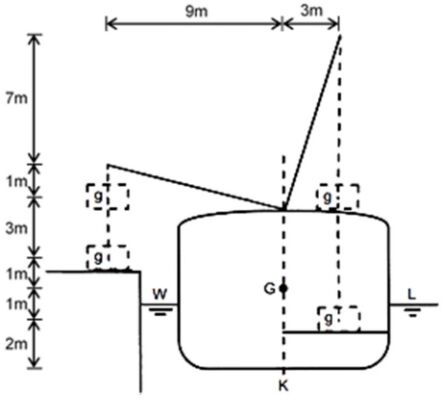
三、某貨船排水量13,000公噸靠泊於碼頭邊,欲以其船上吊桿自碼頭上吊裝貨物200公噸,並放置於右舷之艙內甲板上,如圖所示。
(二)若該船未開始吊裝前之KG 3公尺,GM 1公尺,試求在整個貨物吊裝過程中,該船可能出現之最小GM及最大傾側角度分別為何?(13分)
相關申論題
四、若某船浮於相對密度為1.01的海水中,其左舷水線恰好位在夏期載重線刻度之下緣,而右舷水線則是低於夏期載重線刻度下緣之10公分位置處,已知TPC 12公噸,FWA 15公分,請問理論上該船在標準海水中尚可裝載多少重量,才會使其達到夏期最大載重量?(15分)
#493113
五、請說明船上消防隊之組成與人員編組,及每月消防操演時所應進行的主要事項,以因應船舶發生火災時之緊急情況。(20分)
#493114
一、請依船員法及航業法之規定,解釋津貼、特別獎金、貨櫃集散站經營業、 國際聯營組織、國際航運協議之意義。(25分)
#493115
二、引水法第32條規定:「引水人應招登船執行領航業務時,仍須尊重船長之指揮權」。請以引水作業時如發生船舶碰撞,就碰撞責任主體之辨識,申論本條文意旨。(25分)
#493116
三、請說明商港法有關颱風發布後,就商港區域內之船舶應採行措施之規定及違反之處罰。(15分)
#493117
四、關於1989年海難救助公約(International Convention on Salvage, 1989),從公約定義與締約國司法見解,請申論海難救助的構成要件。 (35分)
#493118
一、請使用球面三角的邊餘弦律(side cosine laws)直接推導半正矢公式 (Haversine formulae),並說明早期航海者為何喜歡採用半正矢公式來製表計算?(25分)
#493119
二、請回答下列問題: (一)某船舶DR(L 60°S, λ120°E),航向270°,航速12節;若太陽GHA094°,則請採用相對運動求解太陽尚需多少時間追上航行中船舶的當地之天子午線?(提示:假設太陽每小時GHA變化率015°) (15分)
#493120
(二) 若經由航海曆得知某日 GMT10-00-00 , 太 陽 GHA328 ° 56.1' , 則在 GMT10-31-56,太陽GHA為何?又此時的時差為何?(10分)
#493121
(一)說明船舶航行於航行巷道內應注意之事項。(8分)
#493122
相關試卷
115年 - 115 中央警察大學_碩士班入學考試試題_海洋科技組:船藝學#139844
115年 · #139844
114年 - 114 高等考試_三級_航海技術:船藝學#128468
114年 · #128468
114年 - 114 普通考試_航海技術:船藝學概要#128370
114年 · #128370
113年 - 113 高等考試_三級_航海技術:船藝學#121245
113年 · #121245
113年 - 113 普通考試_航海技術:船藝學概要#121036
113年 · #121036
112年 - 112 高等考試_三級_航海技術:船藝學#115466
112年 · #115466
112年 - 112 關務特種考試_三等_船舶駕駛:船藝學#113869
112年 · #113869
111年 - 111 普通考試_航海技術:船藝學概要#109304
111年 · #109304
111年 - 111 高等考試_三級_航海技術:船藝學#109235
111年 · #109235
110年 - 110 高等考試_三級_航海技術:船藝學#102589
110年 · #102589