阿摩線上測驗 登入

申論題資訊

試卷:113年 - 113 臺灣菸酒股份有限公司_從業職員及從業評價職位人員甄試試題_從業職員_電子電機:電子學#133997
科目:電子學
年份:113年
排序:0

題組內容

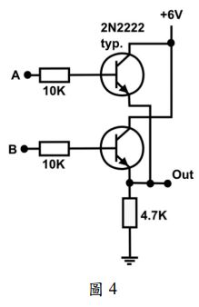
第四題【25 分】
圖 4 所示為由電晶體所組成的邏輯閘電路,以高電位當作邏輯 1,低電位當作邏輯 0, 請回答下列的問題:

申論題內容

(四) 如果改用二極體來完成這個邏輯閘的功能,請繪出二極體的電路圖。(10 分)