阿摩線上測驗
登入
首頁
>
教甄◆機械科/模具科/製圖科/生物產業機電/電腦機械製圖科
>
114年 - 114 高雄市市立高級中等學校_聯合教師甄選試題:製圖科#127336
> 申論題
題組內容
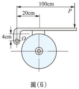
1.如圖(6)所示之單塊制動器,若轉動之轉矩 T=1800 N-cm,鼓輪直徑 36 cm,摩擦係數μ=1/3,試求
(1)鼓輪順時針旋轉時所需之制動力 P 為若干牛頓?(5 分)
相關申論題
(2)若鼓輪改為逆時針,則制動力 P 為?(5 分)
#542276
2.如圖(7)所示,A、B 兩物體質量分別為 2m、m,A 物體置於水平面上與其摩擦係數為μ,以繩子經過滑輪與另一物體 B 懸吊連繫,重力加速度為 g,若滑輪重量及摩擦均省略不計,則繩子的張力 T 為何?(10 分)
#542277
3.如圖(8)所示,請讀取游標卡尺之指定刻度,並寫出正確尺寸。(5 分)
#542278
4.如圖(9)所示,請讀取分厘卡之指定刻度,並寫出正確尺寸。(5 分)
#542279
5.如圖(10)所示,請說明各點(點 a~點 e)在投影面之象限位置。(10 分)
#542280
(1) 最大餘隙(4 分)
#542281
(2) 最小餘隙(4 分)
#542282
(3) 裕度(4 分)
#542283
7.試分析碳鋼之切削性與含碳量之關係。(8 分)
#542284
二、填充題:1.卡卡西使用一個容量為 20Ah 的鋰離子電池,若電量狀態(State-ofCharge,SOC)為 80%時以 0.5C 放電,多少小時會將電池放空?________
#542285
相關試卷
115年 - 115 高雄市立高雄高級中學_正式教師甄選試題︰電腦機械製圖科#140129
115年 · #140129
115年 - 115 高雄市立高雄高級中學_正式教師甄選試題︰機械科#140124
115年 · #140124
115年 - 115 新北市公立高級中等學校_教師聯合甄選試題:機械科/製圖科#139206
115年 · #139206
114年 - 114 高雄市市立高級中等學校_聯合教師甄選試題:製圖科#127336
114年 · #127336
114年 - 114 高雄市市立高級中等學校_聯合教師甄選試題:機械科#127331
114年 · #127331
114年 - 114 新北市公立高級中等學校_教師聯合甄選試題:板金科、製圖科、機械科#126869
114年 · #126869
113年 - 113 教育部受託辦理公立高級中等學校教師甄選試題:機械科、製圖科、板金科、電腦機械製圖科#122245
113年 · #122245
113年 - 113 高雄市市立高級中等學校聯合教師甄選試題:電腦機械製圖科#121938
113年 · #121938
113年 - 113 高雄市市立高級中等學校聯合教師甄選試題:機械科#121834
113年 · #121834
113年 - 113-1 國立金門高級農工職業學校教師甄選:機械科#120609
113年 · #120609