阿摩線上測驗
登入
首頁
>
教甄◆機械科/模具科/製圖科/生物產業機電/電腦機械製圖科
>
109年 - 109 教育部受託辦理公立高級中等學校教師甄選:機械科、製圖科、板金科、生物產業機電科、電腦機械製圖科#87352
> 申論題
題組內容
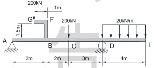
4.有一簡支外伸樑 ABCDEFG 承受兩垂直集中負荷與一均佈負荷如下圖所示,若不計樑本身重量, 試求:
(2)繪出此樑 ABCDE 之剪力圖與彎矩圖
相關申論題
1.如下圖所示,欲用拉力 T 拖動靜置於水平地面上之重物,若地面與此物間之摩擦角為,試證 明θ =時可最省力(T 最小)?
#353654
2.如下圖所示一質點質量為 M,自光滑坡道 A 處滑下(無滾動)至 B,若欲維持在 B 處不下墬, 則 H 至少等於多少 m?(R=8m)
#353655
(1)繩索 AB 之張力
#353656
(2)C 點之反作用力
#353676
(1)支撐點 A 及 D 之反力
#353657
(1)則其傳動之鏈輪直徑各為何?
#353658
(2)若鏈條之緊邊張力為 1000N,主 動 A 輪轉速為 600rpm,則可傳送之功率為若干 kW?
#353678
6.如下圖所示,鼓輪直徑為 8 cm,平衡扭矩為 400 N-cm,當緊邊張力與鬆邊張力比為 7:3 時, 則可停止轉動,其制動力 P 為何? (4 分)
#353659
(1)當兩彈簧串聯時總彈簧常數k為何?(3分)
#353660
(2)當兩彈簧並聯時總彈簧常數k為何? (3分)(只寫出公式不予計分)
#353661
相關試卷
114年 - 114 高雄市市立高級中等學校_聯合教師甄選試題:製圖科#127336
114年 · #127336
114年 - 114 高雄市市立高級中等學校_聯合教師甄選試題:機械科#127331
114年 · #127331
114年 - 114 新北市公立高級中等學校_教師聯合甄選試題:板金科、製圖科、機械科#126869
114年 · #126869
113年 - 113 教育部受託辦理公立高級中等學校教師甄選試題:機械科、製圖科、板金科、電腦機械製圖科#122245
113年 · #122245
113年 - 113 高雄市市立高級中等學校聯合教師甄選試題:電腦機械製圖科#121938
113年 · #121938
113年 - 113 高雄市市立高級中等學校聯合教師甄選試題:機械科#121834
113年 · #121834
113年 - 113-1 國立金門高級農工職業學校教師甄選:機械科#120609
113年 · #120609
112年 - 112 國立羅東高級工業職業學校_專任教師甄試試題:機械科#126305
112年 · #126305
112年 - 112 教育部受託辦理公立高級中等學校教師甄選:機械科、模具科、製圖科、板金科、電腦機械製圖科#119026
112年 · #119026
112年 - 112 高雄市市立高級中等學校聯合教師甄選試題:電腦機械製圖科#114509
112年 · #114509