阿摩線上測驗
登入
首頁
>
輻射度量
>
104年 - 104 高等考試_三級_核子工程、輻射安全:輻射度量#39549
> 申論題
題組內容
三、
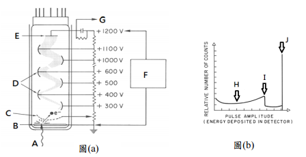
⑵下圖(b)為光電倍增管的理想輸出能譜圖,請依序回答 H~J 各代表為何?(6 分)
相關申論題
⑴試問游離腔內可產生多少安培電流?(7 分)
#118167
⑵若游離腔之空氣體積為 0.35 cm3 ,則所測得之劑量率為多少 Gy/hr?(8 分) (Wair = 33.97 eV/ip , ρair = 1.293 kg/m3 )
#118168
⑴光陰極所產生之光電子數為多少?(8 分)
#118169
⑵此偵檢器之能量解析度(energy resolution)約為多少%?(7 分)
#118170
⑴下圖(a)為光電倍增管之示意圖,請依序回答 A~G 各代表為何?(14 分)
#118171
⑴相較於閃爍偵檢器,請敘述半導體偵檢器之優缺點各如何?(10 分)
#118173
⑵試比較半導體偵檢器 Silly detector Si(Li) 與 Jelly detector Ge(Li) 二者之間的差異 如何?(10 分)
#118174
⑴熱發光劑量計(TLD)常需摻入一些雜質(impurities),試說明其用途為何?(5 分)
#118175
⑵在諸多熱發光劑量計中,以LiF與CaF2最為常用,試比較二者之間的優缺點為何?(5分)
#118176
六、就⑴輻射量測原理、⑵輻射靈敏度、⑶劑量測量範圍、⑷消光效應、⑸能量依存度 等因素,試比較玻璃劑量計(Glass dosimeter)與熱發光劑量計(TLD)之間的差異 各為何?(每小題 4 分,共 20 分)
#118177
相關試卷
114年 - 114 高等考試_三級_輻射安全:輻射度量#128688
114年 · #128688
113年 - 113 高等考試_三級_輻射安全:輻射度量#121294
113年 · #121294
112年 - 112 高等考試_三級_輻射安全:輻射度量#115751
112年 · #115751
111年 - 111 高等考試_三級_核子工程、輻射安全:輻射度量#109577
111年 · #109577
110年 - 110 高等考試_三級_輻射安全:輻射度量#102352
110年 · #102352
110年 - 110 高等考試_二級_輻射安全:輻射度量#101856
110年 · #101856
109年 - 109 高等考試_三級_輻射安全:輻射度量#88621
109年 · #88621
108年 - 108 高等考試_三級_核子工程、輻射安全:輻射度量(重複)#82390
108年 · #82390
108年 - 108 高等考試_三級_核子工程、輻射安全:輻射度量#77734
108年 · #77734
107年 - 107 高等考試_三級_核子工程、輻射安全:輻射度量#70812
107年 · #70812